EasyManua.ls Logo

Siemens TUTORbit POL687 - Page 51

Siemens TUTORbit POL687
96 pages
Print Icon
To Next Page IconTo Next Page
To Next Page IconTo Next Page
To Previous Page IconTo Previous Page
To Previous Page IconTo Previous Page
Loading...
51
TUTORBIT
COSMOGAS
4 - INSTALLATION
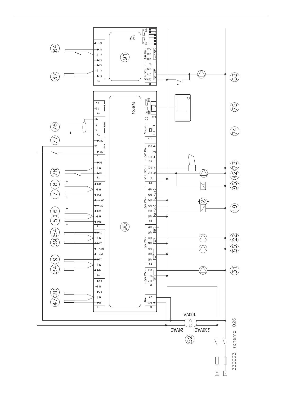
Figure 4-34 - Electrical connection

Table of Contents

Related product manuals