EasyManua.ls Logo

Silver King SKBR2 - 2 Wiring Diagram

Silver King SKBR2
15 pages
Print Icon
To Next Page IconTo Next Page
To Next Page IconTo Next Page
To Previous Page IconTo Previous Page
To Previous Page IconTo Previous Page
Loading...
- 9 -
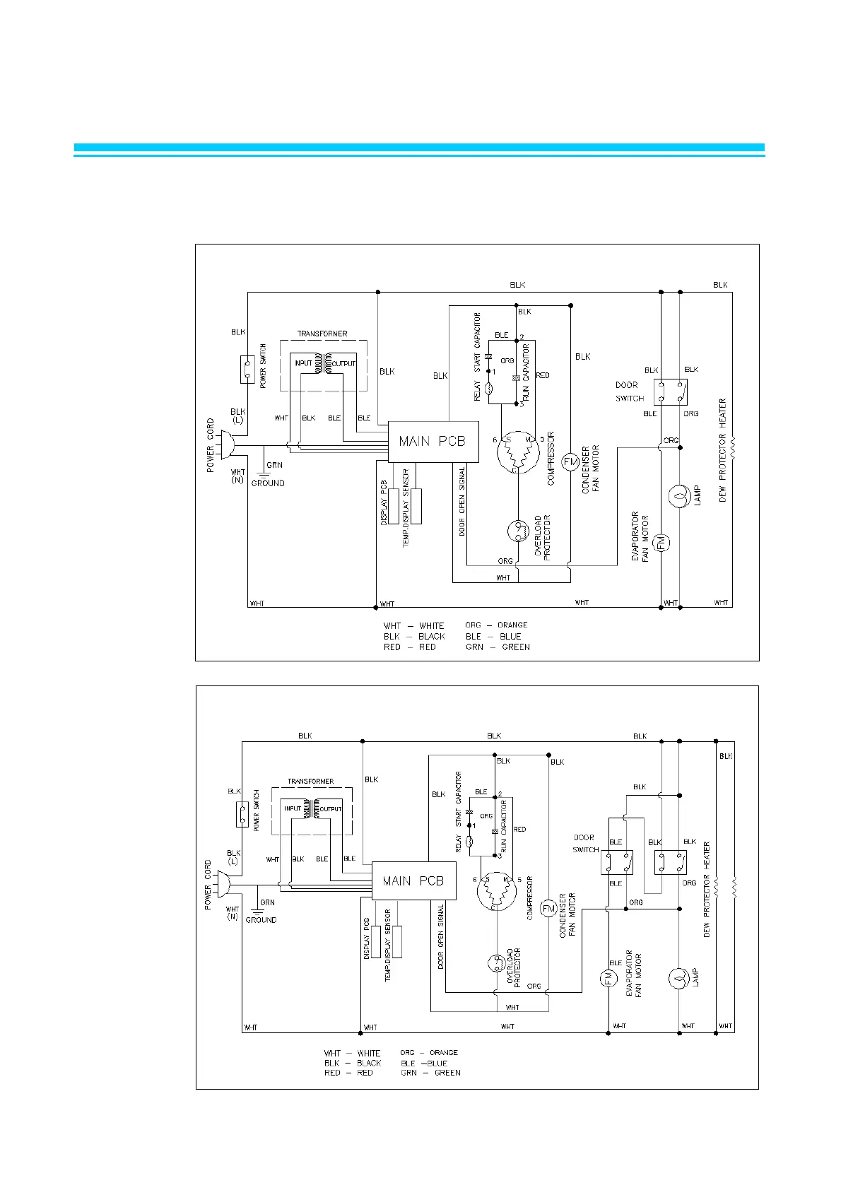
2. WIRING DIAGRAM
2-1. REFRIGERATOR
◇SKBR1
◇SKBR2

Related product manuals