EasyManua.ls Logo

SIMDA 3215 - Page 26

Default Icon
50 pages
Print Icon
To Next Page IconTo Next Page
To Next Page IconTo Next Page
To Previous Page IconTo Previous Page
To Previous Page IconTo Previous Page
Loading...
24 SERVICE MANUAL
01B
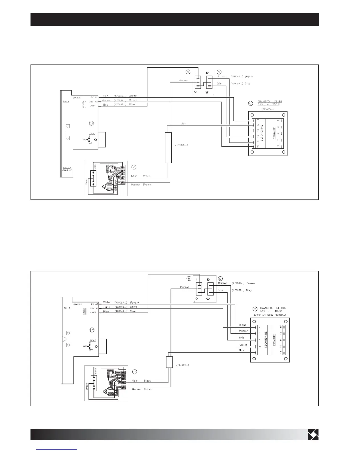
SCHEMAS - DIAGRAMS
3235 AF - 3245 AF
3445 AF

Related product manuals