EasyManua.ls Logo

Sime RX 55 - 3.4 HONEYWELL VR 4605 C GAS VALVE; 3.5 ADJUSTING THE GAS PRESSURE TO BURNERS

Sime RX 55
16 pages
Print Icon
To Next Page IconTo Next Page
To Next Page IconTo Next Page
To Previous Page IconTo Previous Page
To Previous Page IconTo Previous Page
Loading...
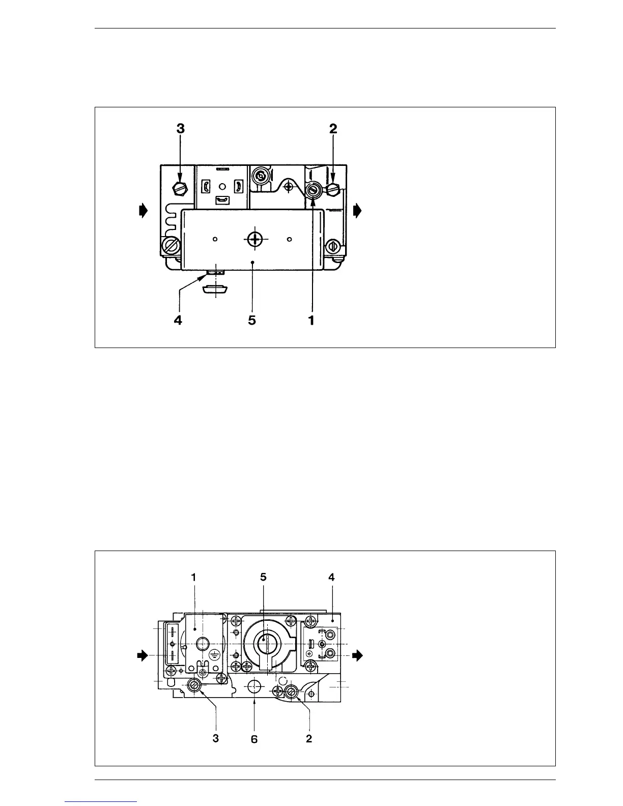
3.4 HONEYWELL VR 4605 C GAS VALVE
The electronically ignited “RX 37+55 CE IONO” boilers
are equipped with the HONEYWELL VR 4605 C gas valve
(fig.13).
When igniting the boiler for the first time, it is always advi-
sable to purge the pipe by opening the inlet pressure tap
(3). To adjust gas pressure to the main burner remove the
plug on the pressure regulator (5). Use a screwdriver to
regulate the screw under the plug: to increase pressure
screw clockwise, to reduce it screw counterclockwise.
3.5 ADJUSTING THE GAS PRESSURE
TO BURNERS
Pressure calibration and gas input are carried out by the
manufacturer.
During installation of the equipment, feed pressure might
be different from standard values.
It is therefore necessary to check pressure and gas input
when igniting the boiler for the first time.
This test should be performed with the boiler in full ope-
ration (obviously no other gas appliances should be
working at the same time).
Read the gas meter twice every 6 minutes. Multiply the
consumption by ten to calculate the consumption per
hour.
If this value does not correspond to the one in Table 4,
turn the screw of the pressure regulator on the valve until
the exact value is obtained.
Screw slowly and gradually.
Read the gas meter at least thirty seconds after regula-
ting the pressure.
10
KEY
1 EV1 coil
2 Outlet pressure tap
3 Inlet pressure tap
4 EV2 coil
5 Pressure regulator
6 ---
Fig. 13
KEY
1 “Soft” igniter regulator
2 Outlet pressure tap
3 Inlet pressure tap
4 Main burner adjusting screw
5 EV1 - EV2 coil
Fig. 12

Other manuals for Sime RX 55

Related product manuals