EasyManua.ls Logo

Simplicity 1695846 - Engine & Frame Group

Simplicity 1695846
32 pages
Print Icon
To Next Page IconTo Next Page
To Next Page IconTo Next Page
To Previous Page IconTo Previous Page
To Previous Page IconTo Previous Page
Loading...
Not for
Reproduction
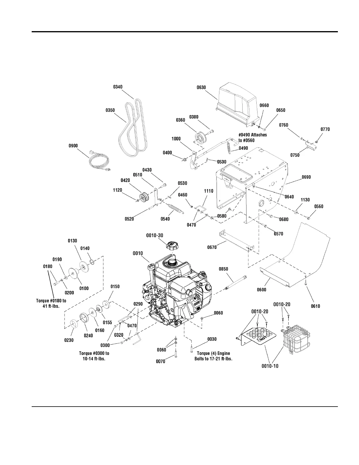
Engine & Frame Group
NOTE: Unless noted otherwise,
use the standard hardware torque
specification chart.
2988984
The above parts group applies to the following Mfg. Nos.:
8
2010
Milwaukee, WI, USA. All rights reserved
© Copyright by Briggs & Stratton Corporation
1695824 - P1524E
1695825 - (P1728E)
1695826 - (P1732E)
1695827 - (P1738E)
1695846 - P1732EX
1695903 - (P1728EX)
1751687

Related product manuals