EasyManua.ls Logo

Simplicity 520 - Auger & Drive Group

Simplicity 520
20 pages
Print Icon
To Next Page IconTo Next Page
To Next Page IconTo Next Page
To Previous Page IconTo Previous Page
To Previous Page IconTo Previous Page
Loading...
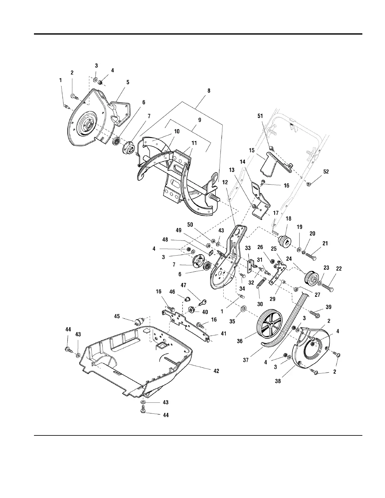
Auger & Drive Group
NOTE: Unless noted otherwise,
use the standard hardware torque
specification chart.
178adg
The above parts group applies to the following Mfg. Nos.:
8
2007Copyright © by Briggs and Stratton Corporation
Briggs and Stratton Yard Power Products Group
Milwaukee, WI, USA. All rights reserved
1694585 - 520M
1694586 - 520E
TP 400-4152-01-SW-S

Related product manuals