EasyManua.ls Logo

Simplicity Colt ZT2148T - Page 60

Simplicity Colt ZT2148T
73 pages
Print Icon
To Next Page IconTo Next Page
To Next Page IconTo Next Page
To Previous Page IconTo Previous Page
To Previous Page IconTo Previous Page
Loading...
54
TP 400-7090-01-CT-D
© Copyright 2004 Ferris Industries. All Rights Reserved.
The above parts group applies to the following Model Nos.:
ZT2148T (S/N: 679 & above)
ZT2348T
ZT2352T (S/N: 836 & above)
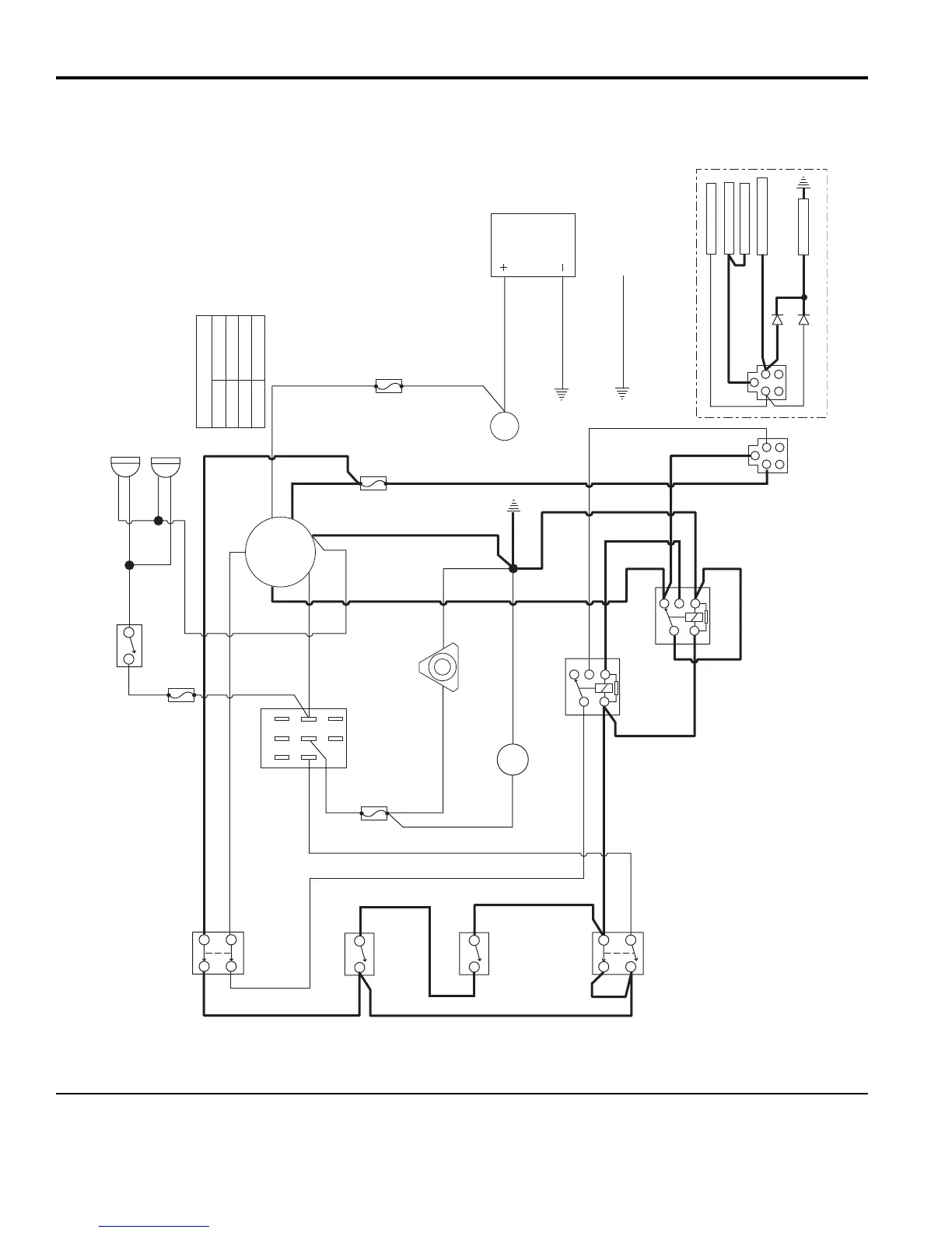
Ignition Grounding Circuit/Operator Presence
RH NEUTRAL
SWITCH
21451
PTO
SWITCH
22180
M
L
G
B
S
IGNITION
SWITCH
20927
A
PARKING BRAKE
SWITCH
22182
SEAT
SWITCH
22094
HOURMETER
20060
PTO CLUTCH
22584
20A FUSE
21603
YELLOW
RED
RED
RED
IGNITION SWITCH
POSITION CIRCUIT MAKE
1. OFF G & M & A
2. RUN B & L & A
3. START B & L & S
NO
NC
NO
COLT KOHLER WIRE HARNESS
49105
COMNONC
85
86
30
87A
87
RELAY
21766
NC
NC
LH NEUTRAL
SWITCH
21451
NO
85
86
30
87A
87
RELAY
21766
BLACK
GREEN
20A FUSE
21603
20A FUSE
21603
BLUE
BLUE
ORANGE
BLACK
ORANGE
ORANGE/GREEN
ORANGE/WHITE
ORANGE
ORANGE/GREEN
YELLOW
YELLOW
YELLOW
ORANGE
BROWN
WHITE
WHITE
BLACK
BLACK
WHITE
BROWN
GRAY
GRAY
VIOLET
BLACK BLACK
BLACK
BLACK
BLUE
BLUE
ORANGE
ORANGE
HEADLIGHT
SWITCH
1703799
BLACK
BLACK
ORANGE
HEADLIGHT - RH
22980
HEADLIGHT - LH
22979
STARTER
MOTOR
BATTERY
NEGATIVE BATTERY CABLE
21406
POSITIVE BATTERY CABLE
21542
GROUND CABLE
44014
ENGINE
BLOCK
1
23
4
5
1
32
5
4
WHITE
RED
RED
FUEL SOLENOID
VOLTAGE REGULATOR
RED
VIOLET
BLUE
21HP & 23HP KOHLER ENGINE HARNESS
IGNITION MODULE
IGNITION MODULE
STARTER SOLENOID
VIOLET
VIOLET
ORANGE
ORANGE
20A FUSE
21603
ORANGE
ORANGE/WHITE
BLACK
YELLOW
ORANGE
VIOLET

Related product manuals