EasyManua.ls Logo

Simplicity Pacer 1694287 - 32 Mower Deck - Housing, Spindles, Blades & Pulleys

Simplicity Pacer 1694287
58 pages
Print Icon
To Next Page IconTo Next Page
To Next Page IconTo Next Page
To Previous Page IconTo Previous Page
To Previous Page IconTo Previous Page
Loading...
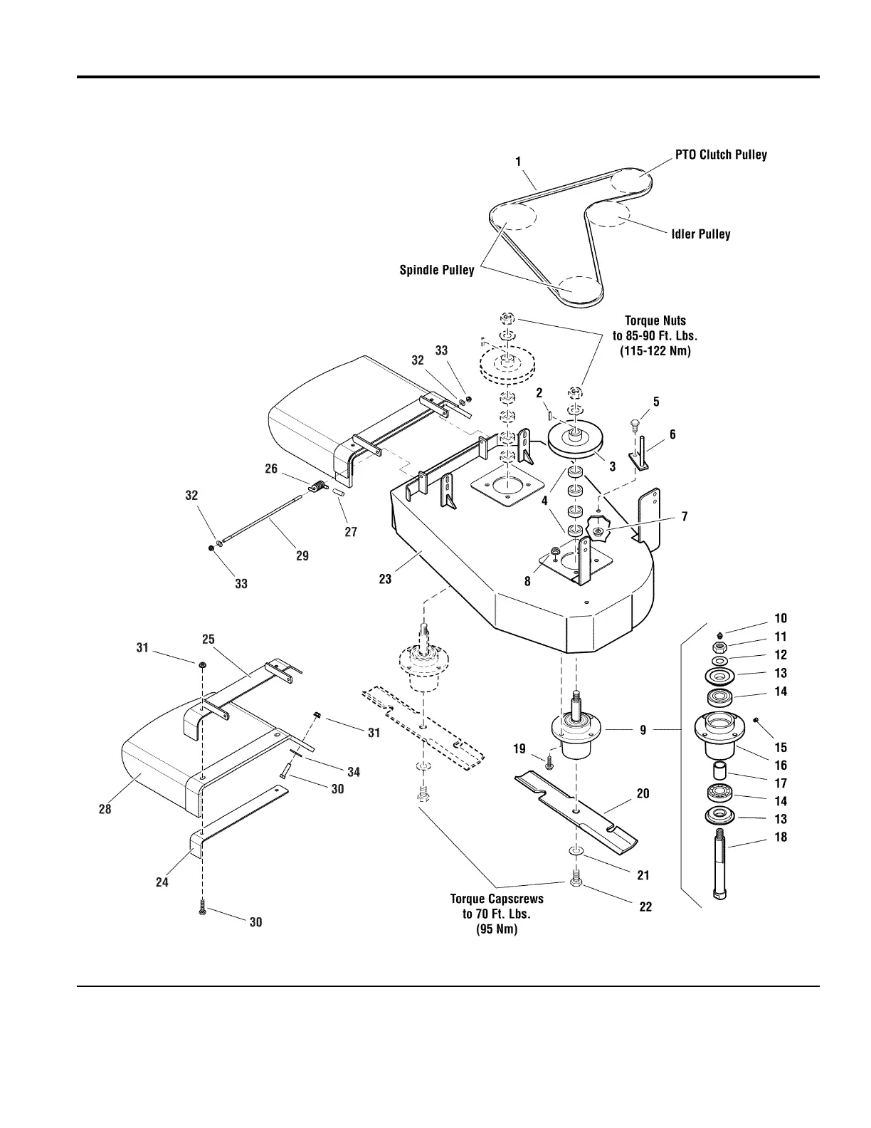
32" Mower Deck - Housing, Spindles, Blades & Pulleys
NOTE: Unless noted otherwise,
use the standard hardware torque
specification chart.
5301454
The above parts group applies to the following Mfg. Nos.:
42
2008Copyright © by Briggs and Stratton Corporation
Briggs and Stratton Yard Power Products Group
Milwaukee, WI, USA. All rights reserved
5900766 - Pacer
TP 400-7226-H-PA-S

Related product manuals