EasyManua.ls Logo

Simpson 880 WATTMETER - Page 14

Simpson 880 WATTMETER
19 pages
Print Icon
To Next Page IconTo Next Page
To Next Page IconTo Next Page
To Previous Page IconTo Previous Page
To Previous Page IconTo Previous Page
Loading...
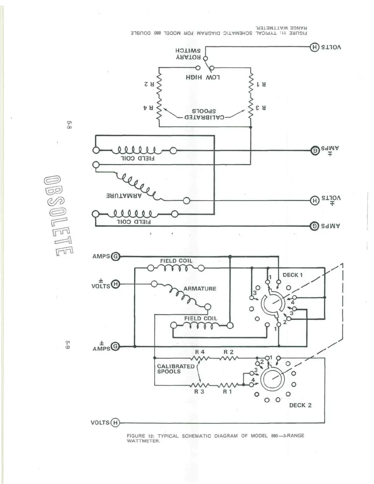
•y3J.3W-U.VM
3ianoa
oss
-IBQOIAI
aod
i/wysvia
OUVIABHOS
ivoidAx
HI
H01IMS
Auvioa
HDIH
MO1
z
a
L
H
[H)snoA
00
SlOOdS
aaivaanvo-
C^^JUUUUUU-O-
1100
o-ouuuuuu—o
I
HOP
Q13ld
e
a
iSdl/MV
,
SIIOA
[DISdlAIV
4
i
AMPSCG
01
cb
FIELD
COIL
—oonnnpo
CALIBRATED
SPOOLS
VOLTS(H
FIGURE
12:
TYPICAL SCHEMATIC DIAGRAM
OF
MODEL
880—3-RANGE
WATTMETER.

Related product manuals