EasyManua.ls Logo

Sinclair SCV-50EA - Piping Diagram

Sinclair SCV-50EA
109 pages
Print Icon
To Next Page IconTo Next Page
To Next Page IconTo Next Page
To Previous Page IconTo Previous Page
To Previous Page IconTo Previous Page
Loading...
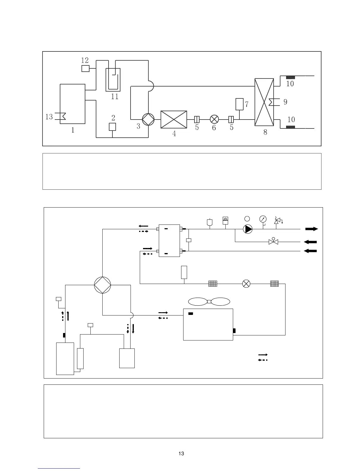
6. Piping Diagram
SCV-50EA, SCV-70EA
HEAT PUMP
1 compressor
2 high pressure switch
3 4-way value(only HEAP PUMP)
4 condenser
5 filter
6 electronic expansive valve
7 liquid receiver
8 plate heat exchanger
9 frost heater
10 water temperature sensor
11 accumulator
12 low pressure switch
13 crankcase heater
SCV-100EA, SCV-120EA, SCV-140EA, SCV-160EA
LP
HP
13
10
2
4
6
7
7
5
8
11
9
12
13
14
15
16
17
18
Cooling
Heating
19
20
21
22
23
24
A
1 Compressor
2 4-Way Valve
3 Accumulatior
4 Air Side Heat Exchanger
5 Electronic Expansion Valve
6 Storage Tank
7 Strainer
8 Water Side Heat Exchanger
(Plate Heat Exchange)
9 Differential Pressure Switch
10 High Pressure Switch
11 Low Pressure Switch
12 Discharge Gas thermistor
13 thermistor For Outdoor Temperature
14 Thermistor For Evaporation In Heating
(Thermistor For Condenser In Cooling)
15 Thermistor For Plate Heat Exchange 1
16 Thermistor For Plate Heat Exchange 2
17 Thermistor For Water Outlet
18 Thermistor For Water Inlet
19 Automatic Discharge Valve
20 Expansion Tank
21 Circulating Pump
22 Pressure Gauge
23 Safety Valve
24 Auto-watet replenishing
13

Related product manuals