EasyManua.ls Logo

Sincro ER2CAA - Page 6

Default Icon
20 pages
Print Icon
To Next Page IconTo Next Page
To Next Page IconTo Next Page
To Previous Page IconTo Previous Page
To Previous Page IconTo Previous Page
Loading...
6
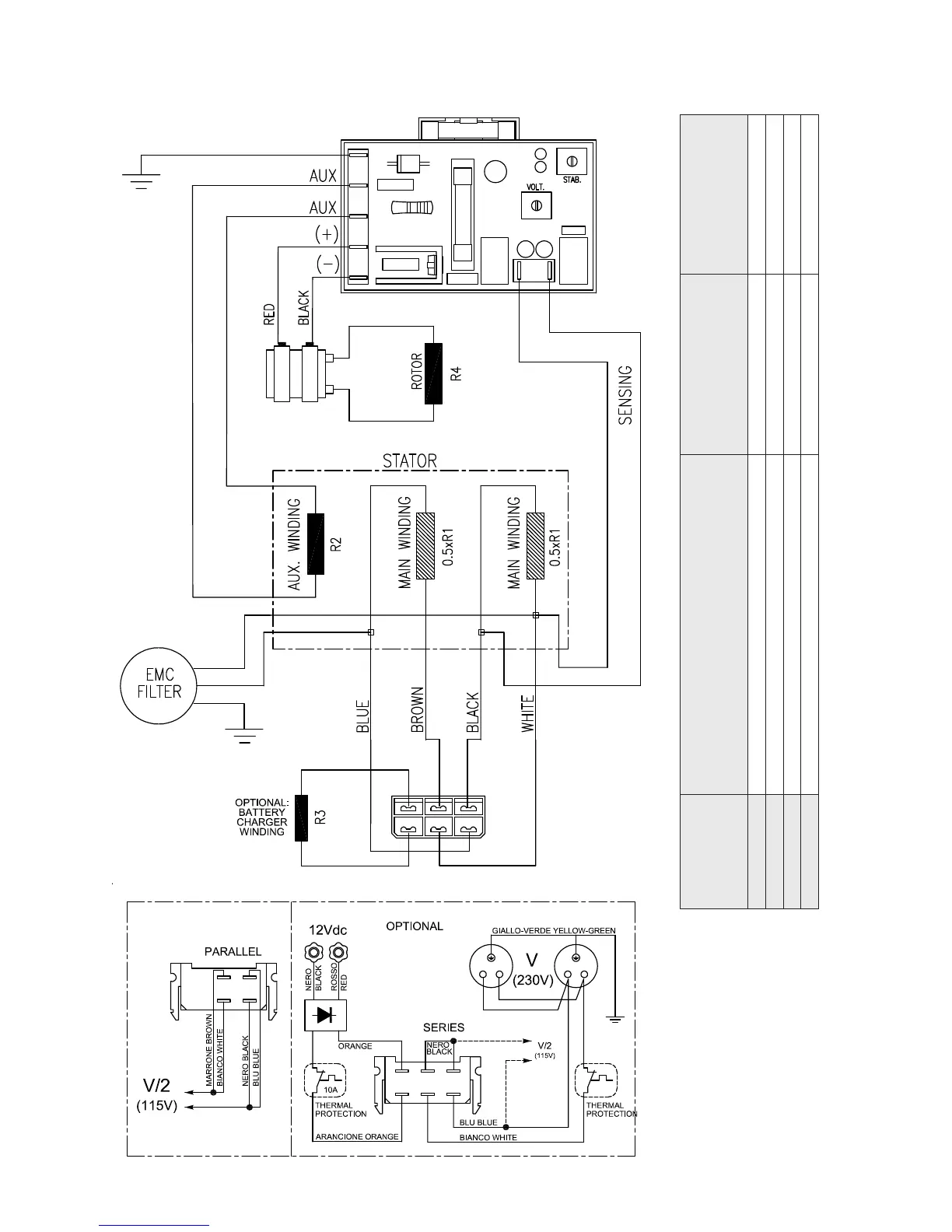
(*)COLORI - COLOURS - COULEUR - FARBE - COLOR:
Bianco: white - blanc - weiss - blanco
Blu: blue - bleu - blau - azul
Grigio: grey - gris - grau - gris
Nero: black - noire - schwarz - negro
Marrone: brown - marron - braun - marròn
Rosso: red - rouge - rot - rojo
Arancione: orange - orange - orange - anaranjado
Giallo: yellow - jaune - gelb - amarillo
Viola: violet - violette - violett - violeta
SCHEMA ELETTRICO - WIRING DIAGRAMS - SCHEMA ELECTRIQUE -
SCHALTPLÄNE - ESQUEMAS ELÉCTRICOS
AUX (*) COLORE
AUX (*) COLOR
IDENTIFICAZIONE NUMERICA-NUMERICAL
IDENTIFICATION-
IDENTIFICATION DIGITALE-KENNNUMMER-
IDENTIFICACIÓN NUMÉRICA
TENSIONE-VOLTAGE-
TENSION-
SPANNUNG-TENSIÓN
FREQUENZA-
FREQUENCY-
FRÉQUENCE-
FREQUENZ-
FRECUENCIA
GRIGIO 1 115V/230V 50 Hz
GIALLO 2 120V/240V 50 Hz
ARANCIONE 3 110V/220V 60 Hz
VIOLA 4 120V/240V 60 Hz

Related product manuals