EasyManua.ls Logo

Sinee A90-4T032B - Page 45

Sinee A90-4T032B
300 pages
Print Icon
To Next Page IconTo Next Page
To Next Page IconTo Next Page
To Previous Page IconTo Previous Page
To Previous Page IconTo Previous Page
Loading...
User Manual of A90 Series Inverter
45
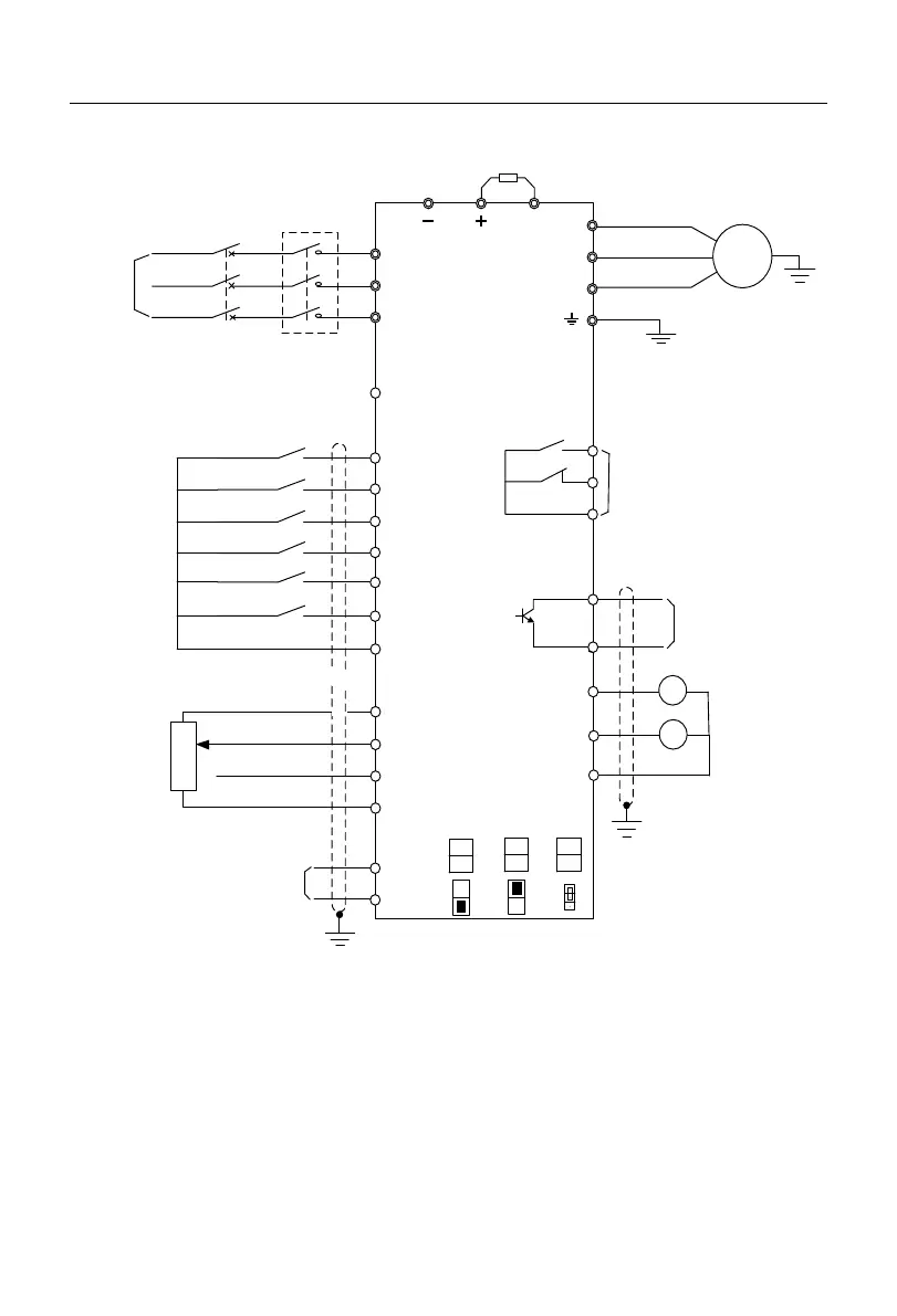
3.3.10
Standard Wiring Diagram of Control Circuit
Grounding
Fault resetting
Multi-segment
speed terminal 3
Multi-segment
speed terminal 2
Multi-segment
speed terminal 1
Forward/Reverse
Operation
PB
Braking resistor
Communication
interface
Grounding
A
-
A+
GND
Multi-function input
terminal
MC
S/L2
T/L3
R/L1
Inverter
Open collector
output
24V/50mA
EC
EB
X1
X2
Y1
X5
X4
X6
X3
Relay output contact
EA
Grounding
Multi-function
analog output
AI2
AI1
GND
MCCB
Power
supply
Frequency
setting
potentiometer
AC250V, more than 10mA, less than 3A
DC30V, more than 10mA, less than 1A
COM
COM
W
V
U
3
2
1
1kΩ5kΩ
0-10V
0-10V/0-20mA
24V output
100mA
10V
24V-COM
+10V/20mA
V/I
M2
V
AI2
I
S2
OFF
485
ON
S1
M
1
R1
V
M1
V
I
M2
J7
Fig. 3-18 Standard Wiring Diagram of Control Circuit
For the A90-4T017B model and below, the terminals COM and GND are connected
internally.
It is recommended to use the wires with a diameter of 0.5-1mm
2
in the control circuit.
Install the control circuit terminals with the PH0 Phillips screwdriver. The tightening

Table of Contents

Related product manuals