EasyManua.ls Logo

Sinotec BTS-800 - Connection; Speaker Connection Diagram

Sinotec BTS-800
12 pages
Print Icon
To Next Page IconTo Next Page
To Next Page IconTo Next Page
To Previous Page IconTo Previous Page
To Previous Page IconTo Previous Page
Loading...
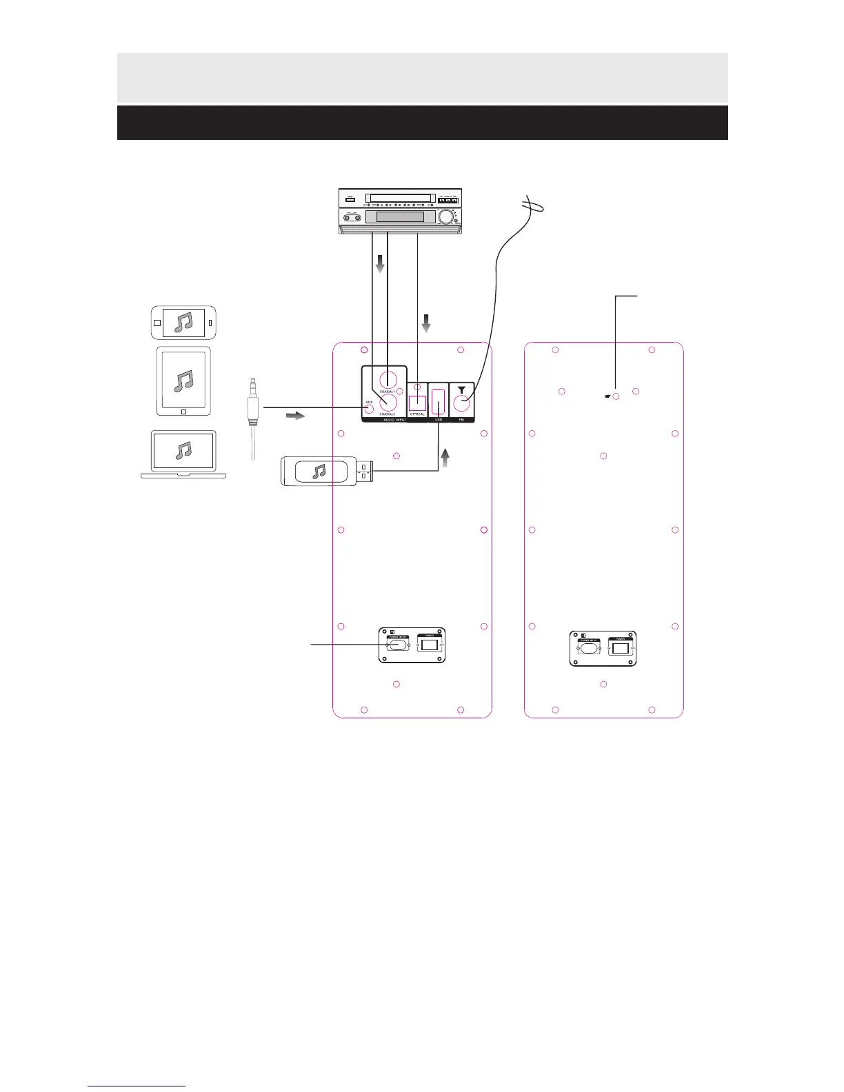
Disc Player
Connection
FM antenna
Optical input
Coaxial 2 input
Coaxial 1 input
Aux input
USB stick
Power input
Main speaker Vice speaker
NOTE:
When turning on the speakers to play mode, or if you set the Main speaker into standby
mode, the pairing indicator will flash blue for about 3 minutes, then goes off.
Use only the power supplies list in the instructions.
PAIR
Pair indicator
3