EasyManua.ls Logo

Sioux Tools Force 5268C - Page 26

Sioux Tools Force 5268C
33 pages
Print Icon
To Next Page IconTo Next Page
To Next Page IconTo Next Page
To Previous Page IconTo Previous Page
To Previous Page IconTo Previous Page
Loading...
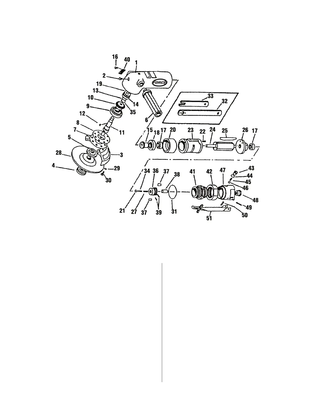
Form ZCE879 26 Date 2023October3/A
PARTS LIST FOR
5268C SERIES RIGHT ANGLE WHEEL GRINDER
SERIAL “A
Fig No Part No Description
1. SP510552 Housing
2. SP505103 Screw
3. SP505104 Guard
4. SP505105 Disc Nut
5. SP505106 Disc Receiver
6. SP505107 Handle
7. SP505108 Retainer
8. SP505109 Gasket
9. 10940 Bearing
10. SP505111 Bevel Gear
11. SP505112 Gear Shift
12. SP505113 Key
13. SP505114 Retaining Ring
14. SP66504 Bearing
15. SP505116 Pinion
16. SP505117 Screw (2)*
17. SP505118 Bearing (2)*
18. SP505119 Bearing
19. SP505120 Spacer
20. SP505121 Front Plate
21. SP505122 Adjust Nut
22. SP505123 Roll Pin
23. SP505124 Cylinder
24. SP505125 Rotor
25. SP505126 Rotor Blade (Set of 4)
26. SP505127 Rear End Plate
27. SP505128 Spring
28. Accessory Disc
29. SP505129 Washer (4)*
30. SP505130 Screw (4)*
31. SP67321 O-Ring
32. SP505132 Disc Spanner Wrench
33. SP505133 Stop Spanner Wrench
34. SP505134 Adjust Screw
35. SP505135 Wave Washer
36. SP505136 Governor
37 SP505137 Pendulum (6)*
38. SP505138 Plunger
39. SP67337 Spring Pin (2)*
40. SP505139 Exhaust Screen
41. SP505140 Lock Ring
42. SP505141 Coupling Nut
43. SP505142 Valve Nut
44. SP505143 O-Ring
45. SP505144 Valve Spring
46. SP505145 Valve Ball
47. SP510553 Valve Housing
48. 505147 Inlet Bushing with Screen
49. 505148 Roll Pin
50. 505149 Throttle Lever Pin
51. 505150 Throttle Lever
Fig No Part No Description
*Order Quantity As Required
FURNISH CATALOG, SERIAL, AND
MODEL NUMBER
WHEN ORDERING PARTS
1
40
2
13
12
15
4
28
5
6
7
8
9
10
11
25
33
32
26
14
35
17
17
18
21
27
34
37
37
39
31
51
50
49
48
36
38
41 42
47
46
45
44
43
29
30
19
16
20
22
23
24
3

Related product manuals