EasyManua.ls Logo

Siser TS-ONE - 8 Schema Elettrico; Scheda Mod. S1_03 TUV

Siser TS-ONE
Print Icon
To Next Page IconTo Next Page
To Next Page IconTo Next Page
To Previous Page IconTo Previous Page
To Previous Page IconTo Previous Page
Loading...
Il presente manuale è di proprietà della SISER S.r.l., ogni riproduzione, anche parziale è vietata
Mod. PRD 20/3 - aggiornato 10/2019
TS-One Manuale di uso e manutenzione
24
IT
TS
ONE
8
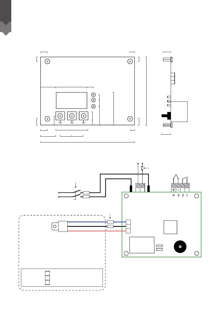
8 SCHEMA ELETTRICO
Scheda mod. S1.03 TUV
Dimensioni ingombri e collegamenti elettrici
RR
B
N
R
faston
230 v
(gate)
B
N
Rcavo rosso sez. 1 mm (gate)
cavo nero sez. 1,6 mm
cavo blu sez. 1,6 mm
Fissare il Triac su una superficie piana e metallica a
contatto diretto con la parte raffreddante.
Applicare fra le parti una piccola quantità di grasso
termoconduttivo bianco in modo da agevolare
il raffreddamento del re statico (max. 40°C).
ATTENZIONE: l’assenza di un adeguato raffreddamento,
può causare la rottura del re statico e relativo
malfunzionamento della pressa.
morsetti
connessione
Triac 25A
fusibili
trasformatore
switching
100/240v
faston
230 v
sonda
J
collegare direttamente le
resistenze nei due
morsetti RR
interruttore
generale
fusibili
ferriti 3 turn
1 per ogni cavo
RETRO SCHEDA S1.03 TUV
alimentazione
scheda
230v
Triac
25A
230v
micro
tempo
termostato
di sicurezza
3 display 1/2”
6,5
18
18 38 6,5
14
40
111,5
3 led 5 mm
3,5
3,56,5
3,5
93
6,5
12
66 21
11
39
5
3,56,5
14
10
11,5
trasf. 1

Table of Contents

Related product manuals