EasyManua.ls Logo

Siser TS-ONE - 8 Elektrischer Schaltplan

Siser TS-ONE
Print Icon
To Next Page IconTo Next Page
To Next Page IconTo Next Page
To Previous Page IconTo Previous Page
To Previous Page IconTo Previous Page
Loading...
Das vorliegende Handbuch ist Eigentum der SISER S.r.l., Vervielfältigungen, auch auszugsweise, sind verboten
Mod. PRD 20/3 - Letzte Bearbeitung 10/2019
TS-One Bedienungs- und Wartungshandbuch
72
TS
ONE
8
DE
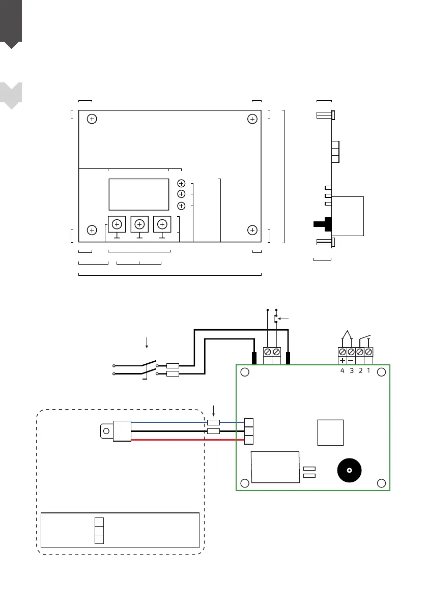
8 ELEKTRISCHER SCHALTPLAN
Karte Modell S1.03 TUV
Maße, Außenabmessungen und Stromanschlüsse
RR
B
N
R
Flachstecker
230 v
(Gate)
B
N
R Rotes Kabel Querschnitt 1 mm (Gate)
Schwarzes Kabel Querschnitt 1,6 mm
Blaues Kabel Querschnitt 11.6 mm
Anschlussklemmen
Triac 25A
Schmelzsicherungen
Schalttransformator
100/240v
Flachstecker
230 v
Fühle
J
Die Widerstände direkt an die
beiden Klemmen RR anschließen
Hauptschalter
Schmelzsicherungen
Ferrite 3fach gedreht
1 für jedes Kabel
RÜCKSEITE KARTE S1.03 TUV
Versorgung
Karte
230v
Triac
25A
230v
Mikro
Zeit
Den Triac auf einer flachen Metalloberfläche fixieren, in
direktem Kontakt mit dem kühlenden Teil.
Zwischen den Teilen eine kleine Menge weißes wärmel-
eitendes Fett aufbringen, um die Kühlung des statischen
Relais (max. 40°C) zu unterstützen.
ACHTUNG: Ohne eine sachgerechte Kühlung droht ein
Defekt des statischen Relais und damit einhergehend eine
Fehlfunktion der Presse.
Sicherheitsthermostat
3 display 1/2”
6,5
18
18 38 6,5
14
40
111,5
3 led 5 mm
3,5
3,56,5
3,5
93
6,5
12
66 21
11
39
5
3,56,5
14
10
11,5
trasf. 1

Table of Contents

Related product manuals