EasyManua.ls Logo

Skee Ball Lightning - Page 11

Default Icon
15 pages
Print Icon
To Next Page IconTo Next Page
To Next Page IconTo Next Page
To Previous Page IconTo Previous Page
To Previous Page IconTo Previous Page
Loading...
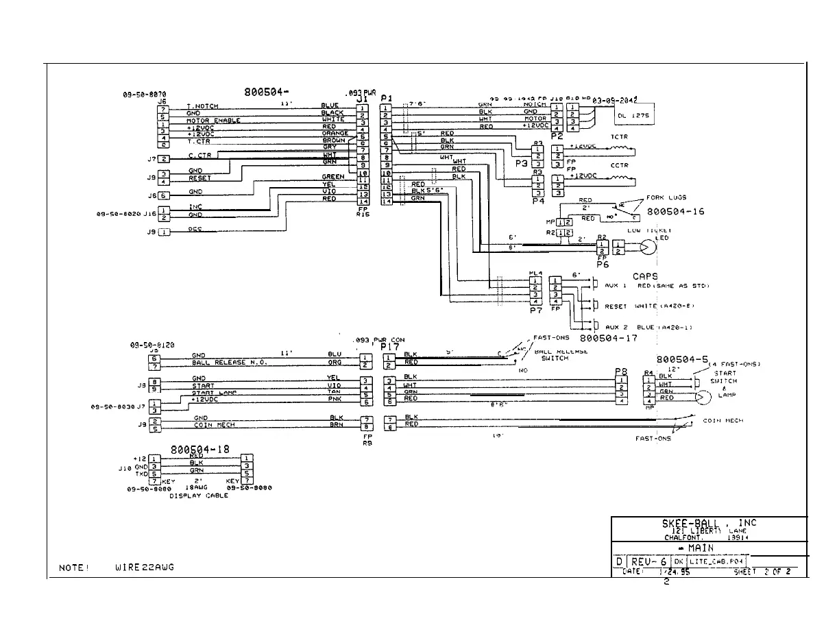
69-58-8878
800504-
1
.R93
PUR
CON
800504-Z
J6
83-68-2042
J17
800504-
I8
SKEE-EALL
12,
L,BERT>
*l.cI’P”
CHFILFONT. PA. 16914
CABLES
-
HFIIN --LIGHTNIN
--._
-_.
NOTES ALL MIRE ZZAWG EXCEPT WHERE NOTED
800504
‘D-IREU-.~~~ITE-,:*E.FO;~
L’aTE,
,124.
95 %EET
;’
OF
2
8
I
7
I
6
I
5
I
4
I
3 I 2
I
1