EasyManua.ls Logo

Ski-Doo SUMMIT 500 1997 - SUSPENSION AND SKI SYSTEM

Ski-Doo SUMMIT 500 1997
352 pages
Print Icon
To Next Page IconTo Next Page
To Next Page IconTo Next Page
To Previous Page IconTo Previous Page
To Previous Page IconTo Previous Page
Loading...
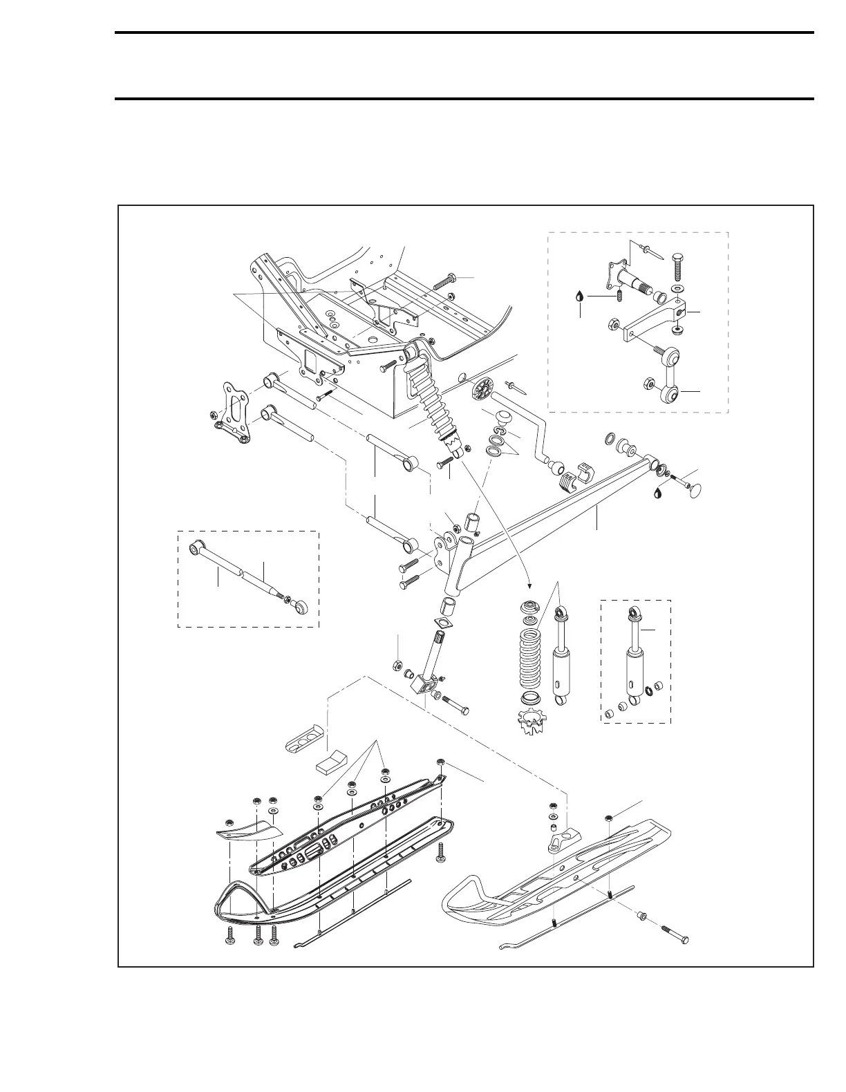
Section 07 STEERING/FRONT SUSPENSION
Sub-Section 03 (SUSPENSION AND SKI SYSTEM)
07-03-1
SUSPENSION AND SKI SYSTEM 3
S-Series
A03G0HS
14
13
25 N•m
(18 lbf•ft)
Loctite
242
29 N•m
(21 lbf•ft)
Some
models
MX Z 440
Some
models
10
4
3
2
1
6
5
7
8
17.5 N•m
(159 lbf•in)
5
5
40 N•m
(29 lbf•ft)
9
11
14 N•m
(124 lbf•in)
10 N•m
(98 lbf•in)
80 N•m
(59 lbf•ft)
15 N•m
(136 lbf•in)
Loctite
242
PARTS
FLAT RATE

Table of Contents

Related product manuals