EasyManua.ls Logo

Skyjack 4632 - Page 48

Skyjack 4632
207 pages
Print Icon
To Next Page IconTo Next Page
To Next Page IconTo Next Page
To Previous Page IconTo Previous Page
To Previous Page IconTo Previous Page
Loading...
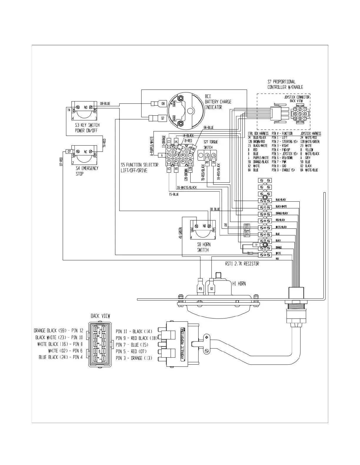
SECTION 3, Page 18 SJIII Series - The Conventionals 129919
50046AC
Figure 3.3-2. Control Box Diagram - ANSI/CSA Models Equipped With No Options

Related product manuals