EasyManua.ls Logo

Skyjack 4632 - Page 49

Skyjack 4632
207 pages
Print Icon
To Next Page IconTo Next Page
To Next Page IconTo Next Page
To Previous Page IconTo Previous Page
To Previous Page IconTo Previous Page
Loading...
SECTION 3, Page 19SJIII Series - The Conventionals 129919
50045AA
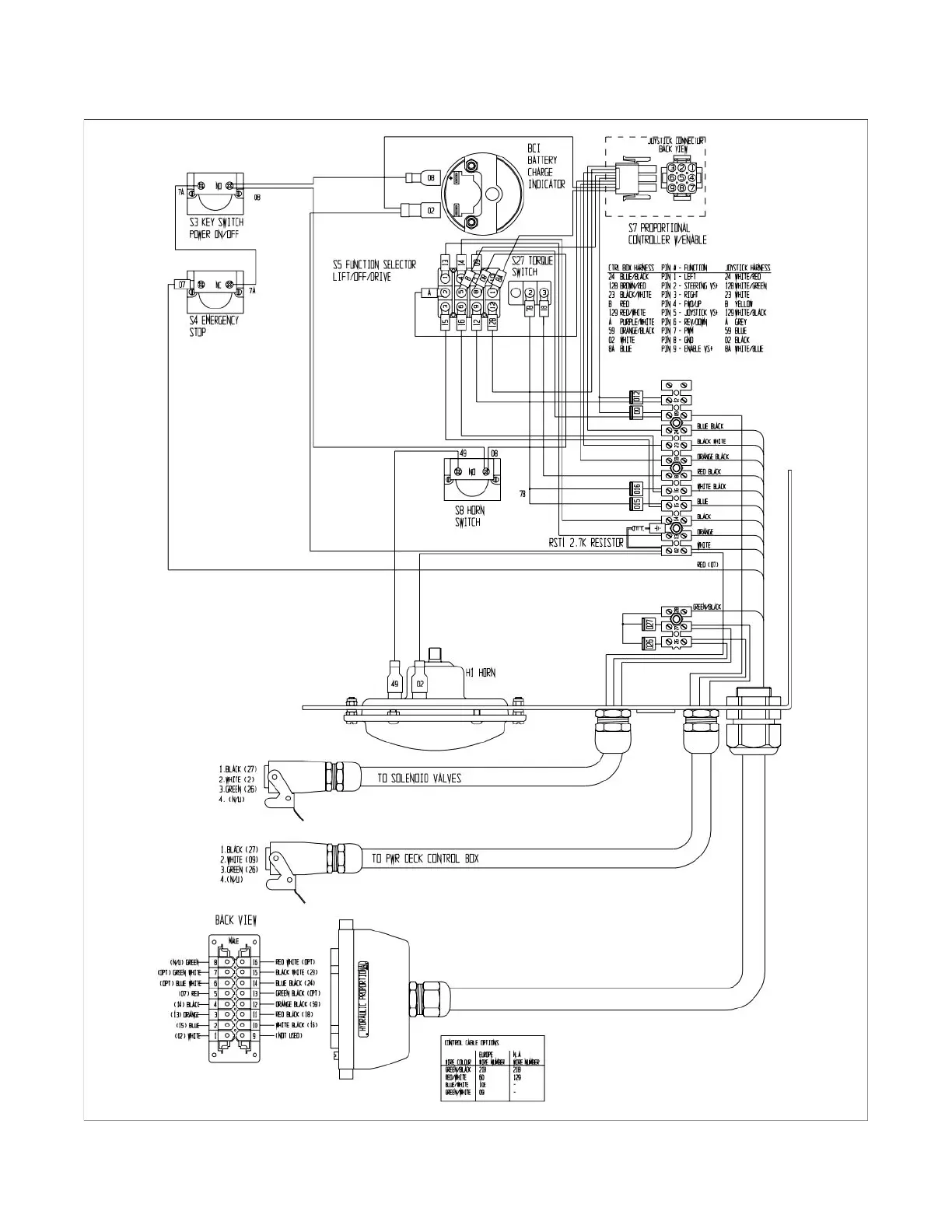
Figure 3.3-3. Control Box Diagram - ANSI/CSA Models Equipped With All Options (No rollout limit)

Related product manuals