EasyManua.ls Logo

Skyjack 6832RT - Page 39

Skyjack 6832RT
264 pages
Print Icon
To Next Page IconTo Next Page
To Next Page IconTo Next Page
To Previous Page IconTo Previous Page
To Previous Page IconTo Previous Page
Loading...
SJRT Compact Series
129946
SECTION 3, Page 40
A B C D E F G H
V
Z
Y
X
W
(Refer to Serial Breakdown Reference Chart)
M137360AI
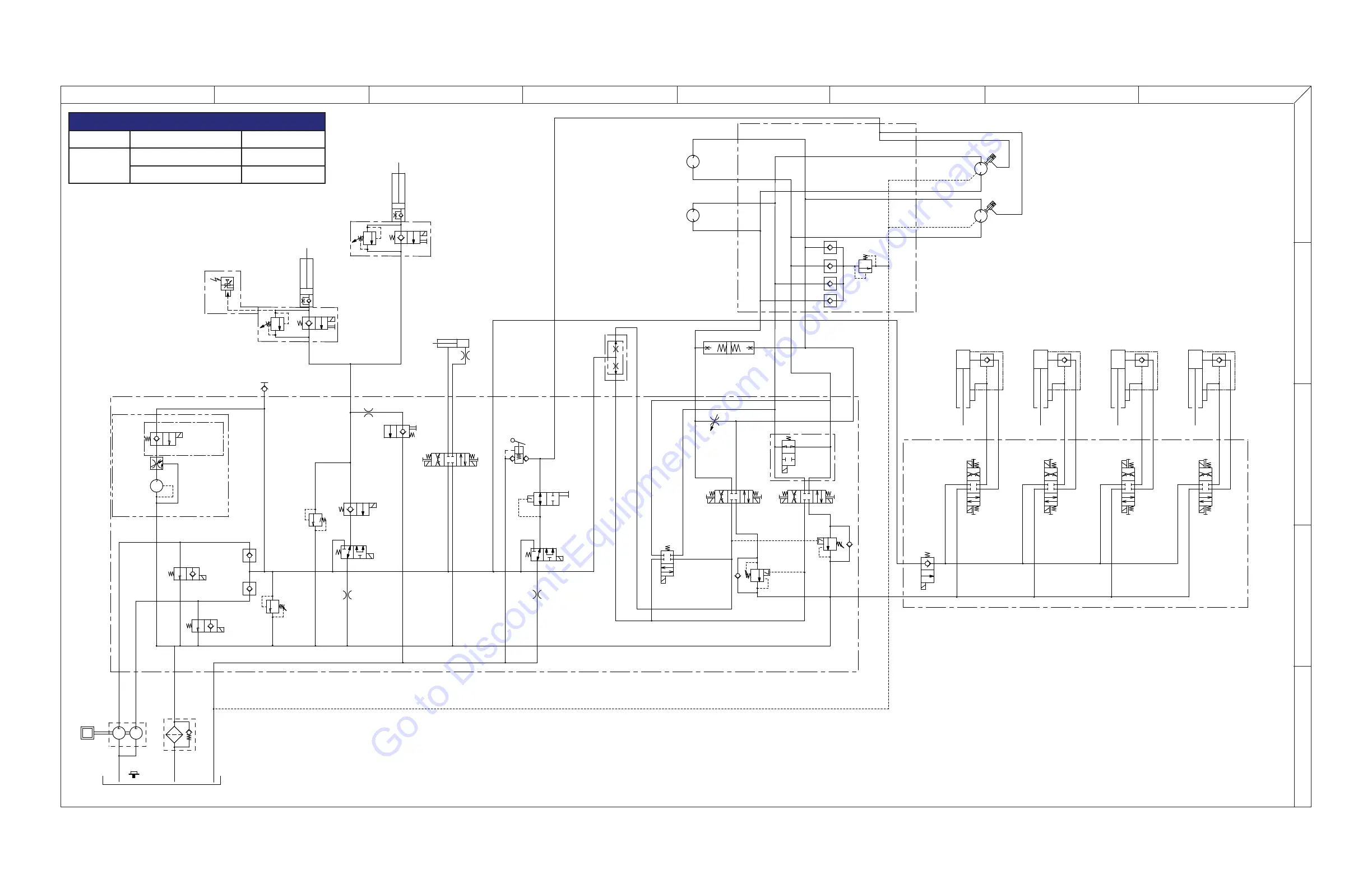
Figure 3.2-2b. Hydraulic Schematic
AD
S5
4H-24
LEFT STEER
VALVE
S10
2H-20B
HIGH SPEED
VALVE
CHECK
VALVES
CUSHION
CYLINDER
C8
CV6
CV5
CV4
MANIFOLD BLOCK
MB3
MANIFOLD BLOCK
MB4
B
TP
A
A
P T
B
A
BT
P
P
T B
A
P A
BT
A
BT
P
CASE DRAIN
O1
Ø0.067
S9
4H-16B
PARALLEL
FORWARD
DRIVE
VALVE
S9
4H-15B
PARALLEL
REVERSE
DRIVE
VALVE
S8
4H-16A
FORWARD
DRIVE
VALVE
S1
2H-17A (ANSI/CSA)
2H-17B (CE)
LARGE
PUMP DUMP
VALVE
SMALL
PUMP
LARGE
PUMP
V2
FREEWHEEL
VALVE
S7
4H-20A
SERIES/PARALLEL
VALVE
S6
3H-30
BRAKE
VALVE
V1
EMERGENCY
LOWERING
PULL
VALVE
V6
AUTO
RESET
VALVE
HP2
HAND
PUMP
S8
4H-15A
REVERSE
DRIVE
VALVE
CB1
MAIN
COUNTERBALANCE
VALVE
CB2
PARALLEL
COUNTERBALANCE
VALVE
P-A
HYDRAULIC
DISCONNECT
S3
2H-13 (ANSI/CSA)
2H-13B (CE)
LOWERING
VALVE
S4
3H-14A
LIFT
VALVE
R2
LIFT
RELIEF
VALVE
R3
RELIEF
VALVE
2H-13-1 (ANSI/CSA)
2H-13B-1 (CE)
HOLDING
VALVE
R1
SYSTEM
RELIEF
VALVE
S2
2H-18B (ANSI/CSA)
2H-18C (CE)
SMALL
PUMP DUMP
VALVE
C7
STEER
CYLINDER
CV1
CHECK
VALVE
CV2
CHECK
VALVE
F1
FILTER
RESERVOIR
P1
PUMP
ENGINE
PT1
PRESSURE
OVERLOAD
TRANSDUCER
OPTION (ANSI/CSA)
STANDARD (CE)
O1
Ø0.067
C1
LOWER
LIFT
CYLINDER
6826/6832
R4
RELIEF
VALVE
C2
UPPER
LIFT
CYLINDER
6826/6832
2H-13-2 (ANSI/CSA)
2H-13B-2 (CE)
HOLDING
VALVE
04
BRAKE
ORIFICE
Ø0.028
MB1 68XXRT MAIN MANIFOLD
VALVE
EXTEND
OUTRIGGER
LEFT FRONT
4H-75
VALVE
EXTEND
OUTRIGGER
RIGHT FRONT
4H-76
VALVE
EXTEND
OUTRIGGER
RIGHT REAR
4H-77
VALVE
EXTEND
OUTRIGGER
LEFT REAR
4H-78
VALVE
HOLDING
OUTRIGGER
2H-17C
VALVE
RETRACT
OUTRIGGER
LEFT FRONT
4H-71
VALVE
RETRACT
OUTRIGGER
RIGHT FRONT
4H-72
VALVE
RETRACT
OUTRIGGER
RIGHT REAR
4H-73
VALVE
RETRACT
OUTRIGGER
LEFT REAR
4H-74
VALVE
CHECK
CV7
CYLINDER
OUTRIGGER
LEFT FRONT
C9
VALVE
CHECK
CV8
CYLINDER
OUTRIGGER
RIGHT FRONT
C10
VALVE
CHECK
CV9
CYLINDER
OUTRIGGER
RIGHT REAR
C11
VALVE
CHECK
CV10
CYLINDER
OUTRIGGER
LEFT REAR
C12
MB8 OUTRIGGER MANIFOLD BLOCK
FD1
FLOW
DIVIDER
S5
4H-23
RIGHT STEER
VALVE
P T
BA
TANK DRAIN
LRG
PUMP
SM
PUMP
LIFT STEER-A STEER-B P-C BRAKE M-A
M-B
M-C
M-DFD-A FD-B
FD-C
T-A
M2
FRONT
RIGHT
WHEELMOTOR
M1
FRONT
LEFT
WHEELMOTOR
CASE DRAIN
SPLITTER
MANIFOLD
MB6
M3
REAR
RIGHT
WHEELMOTOR
M4
REAR
LEFT
WHEELMOTOR
R5
DRIVE
RELIEF
VALVE
CV3
02
LOWERING
ORIFICE
Ø0.106 6826RT
Ø0.089 6832RT
03
LOWERING
ORIFICE
Ø0.106 6826RT
Ø0.089 6832RT
04
STEERING
ORIFICE
Ø0.055
SANDWICH
MANIFOLD
MB5
T-B
AUXILIARY
TANK PORT
P-B
AUXILIARY
PRESSURE PORT
OPTION
HYDRAULIC
GENERATOR
GM1 GENERATOR
MOTOR WITH
ADJUSTABLE
FLOW CONTROL
2H-86D
HYDRAULIC
GENERATOR
VALVE
BLOCK
MANIFOLD
MB9 HYD
GENERATOR
Serial Breakdown Reference Chart
Model Serial Numbers Reference
SJ-68XX
370018 & Below Figure 3.2-2a
370019 & Above Figure 3.2-2b
Go to Discount-Equipment.com to order your parts

Table of Contents

Related product manuals