EasyManua.ls Logo

Skyjack 6832RT - Page 49

Skyjack 6832RT
264 pages
Print Icon
To Next Page IconTo Next Page
To Next Page IconTo Next Page
To Previous Page IconTo Previous Page
To Previous Page IconTo Previous Page
Loading...
SECTION 3, Page 51
SJRT Compact Series
129946
A B C D E F G H
V
Z
Y
X
W
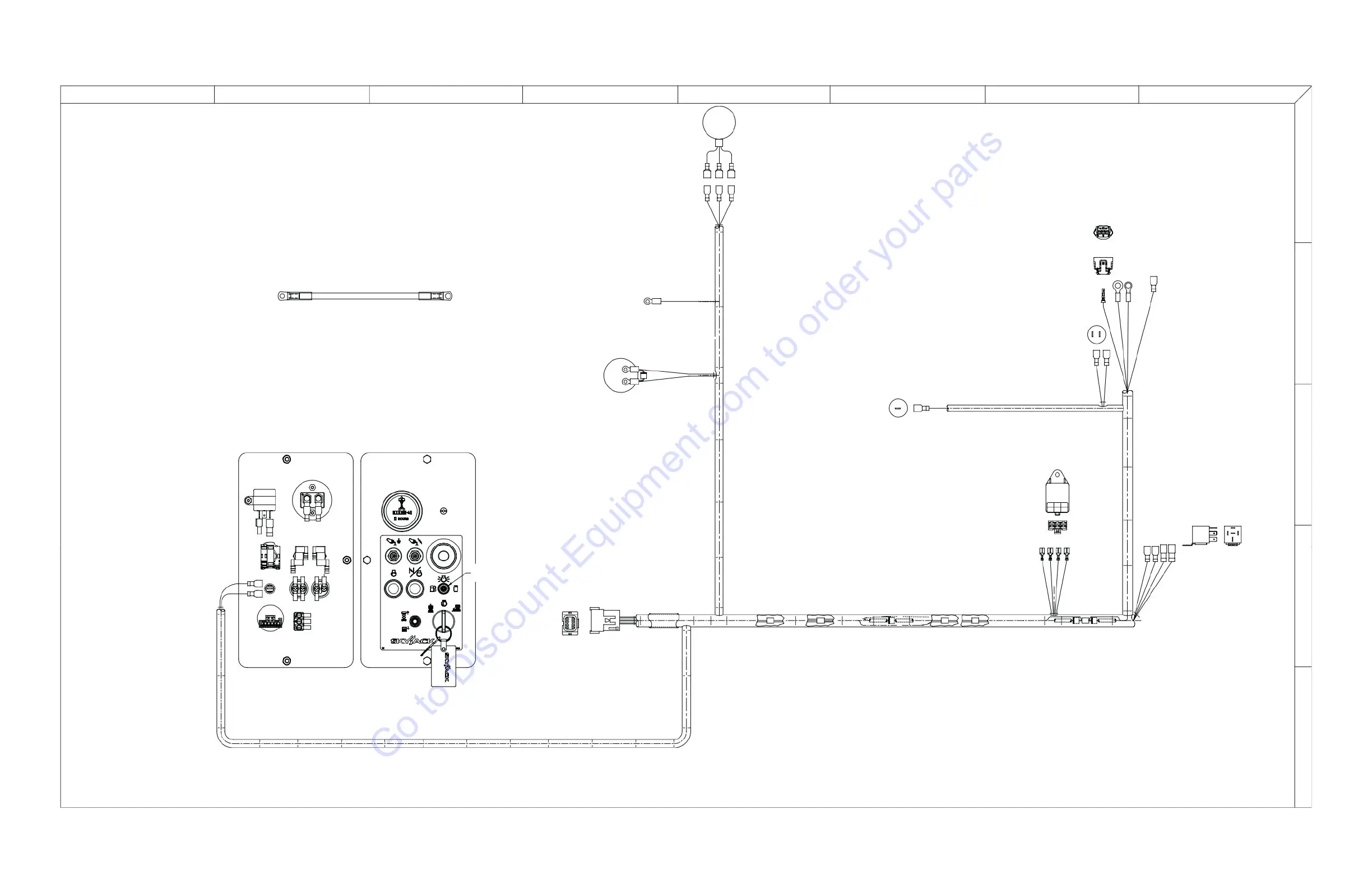
Figure 3.3-6. Engine Wiring Diagram - Diesel Fuel System (Kubota Engine)
M137884AF
MAIN ENGINE STARTERALTERNATOR MAIN
86
87a
30
85
87
CONTACTOR
ENGINE STARTER
DIESEL VALVE SOLENOID
(2D37)
GLOW PLUG LIGHT
(GPL1)
ELECTRIC PANEL
BACK VIEW
DEUTSCH
4
2
1
3
5
7
8
6
91A 02
D32A
31 32A
31
32A
32A 37
GLOW PLUG TIMER
(GPT1)
57
D57
37
90
32A
02
91A
02
D02
02
31
103
91A
ALTERNATOR TRIGGER
HIGH
(HTS-34C)
THROTTLE SOLENOID
02
34C
GLOW PLUG
(EGP1)
ENGINE
91A
DIESEL VALVE SOLENOID
02
57
37
TEMPERATURE SWITCH
2B
(TPS1)
(OPS1)
PRESSURE SWITCH
GLOW PLUG RELAY
(31CR)
2B
2A
103
57
32A
ENGINE STARTER
3
6 5
2
4
1
3 2 1
BACK VIEW
22
3A
03 02
00
D E FCBA
3A
05
10
10
10
2A
31
31
10B
10B
10B
10E
14E
07
10E
13
29
32
05
32
02
A
B B
A
X2
X1
1
2
B
A
A
B
91A
90
37
02
57
FLASHER
FL-29
GLOW PLUG
LIGHT GPL1
PIN 1 - N/U
PIN 2 - 37 BLUE/WHITE (18 GA)
PIN 3 - N/U
103 - RED (10 GA)
57 - BLACK/WHITE
2A - BLACK/RED
2B - WHITE
2B - WHITE
02 WHITE
37 BLUE/WHITE
57 BLACK/WHITE
91A - RED (10 GA)
02 -WHITE
34C - GREEN/WHITE
PIN 1 - N/U
PIN 2 - N/U
PIN 3 - 02 WHITE
PIN 4 - 91A RED
PIN 5 - 32A GREEN/BLACK
PIN 6 - 90 RED
90 - RED
91A - RED
PIN 1 - N/U
PIN 2 - 34C GREEN/WHITE
PIN 3 - 02 WHITE
PIN 4 - 32A GREEN/BLACK
PIN 5 - 2A BLACK/RED
PIN 6 - 37 BLUE/WHITE
PIN 7 - N/U
PIN 8 - 31 RED/WHITE
PIN 30 - 103 RED (10 GA)
PIN 87 - 91A RED (10 GA)
PIN 85 - 31 RED/WHITE
PIN 86 - 02 WHITE
PIN 87a - N/U
02 BLACK (COMMON)
37 RED (HOLD)
57 WHITE (PULL)
32A - GREEN/BLACK
2
103103
2
AC
Go to Discount-Equipment.com to order your parts

Table of Contents

Related product manuals