EasyManua.ls Logo

SmartPool NC71AU - NC71 AU Troubleshooting Guide

SmartPool NC71AU
72 pages
Print Icon
To Next Page IconTo Next Page
To Next Page IconTo Next Page
To Previous Page IconTo Previous Page
To Previous Page IconTo Previous Page
Loading...
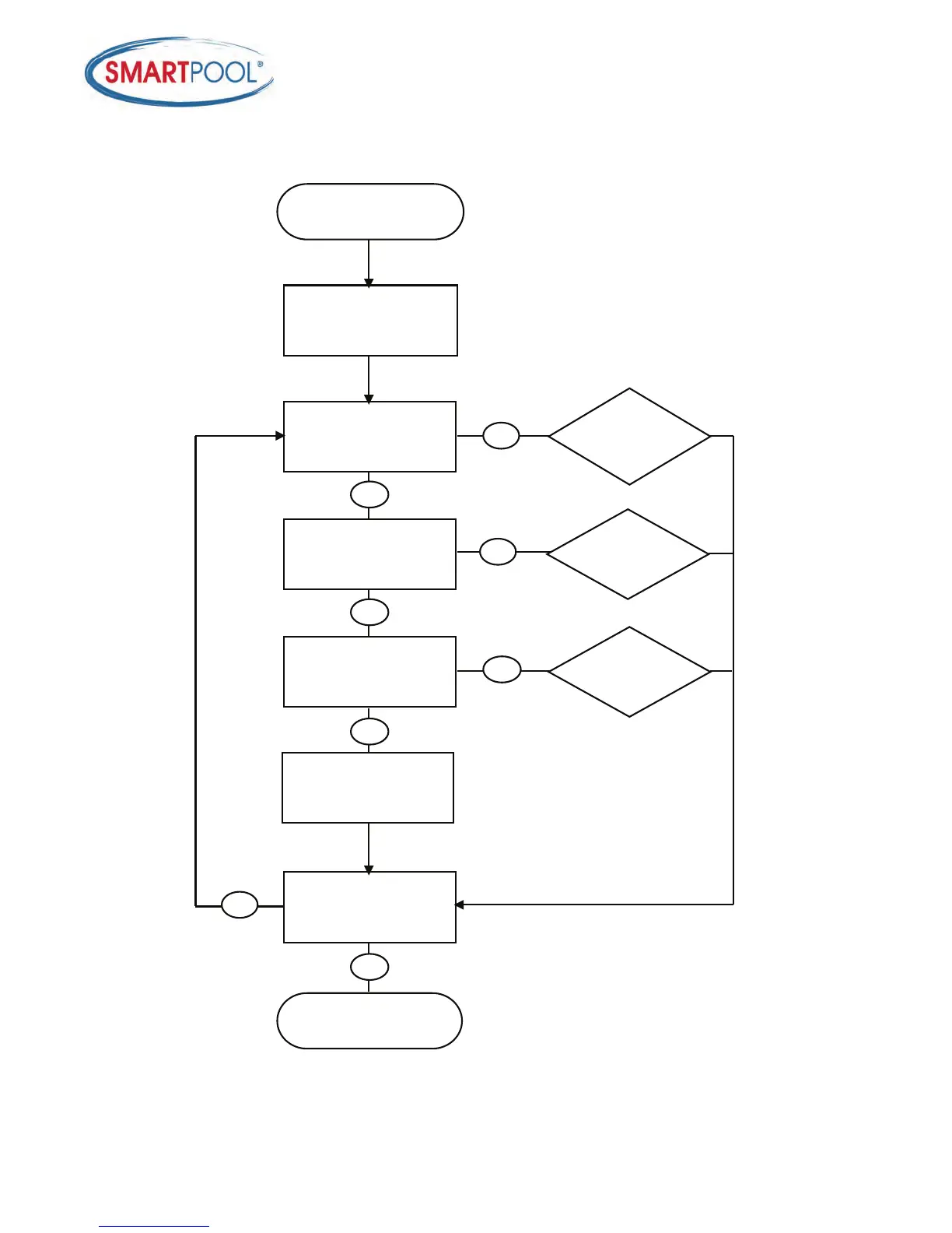
6
NC71AU Troubleshooting Guide
Model:
Scrubber/Admiral Ultra
Tes t
Cable
(26-29Vdc)
Tes t
Power Supply
(29-32Vdc)
Replace
Drive Motor
Replace
Cable
Replace Pump Motor
Remove any debris from
impeller or tracks and
check for damage.
Tes t
Drive Motor with Test
Cable (OK)
Replace
Power
Supply
Water Test
(OK)
Return to Customer
N
Y
Y
N
Y
N
Y
N