EasyManua.ls Logo

SMC Networks EX600-ED Series - Page 34

Default Icon
128 pages
Print Icon
To Next Page IconTo Next Page
To Next Page IconTo Next Page
To Previous Page IconTo Previous Page
To Previous Page IconTo Previous Page
Loading...
-34-
No. DOC1045423
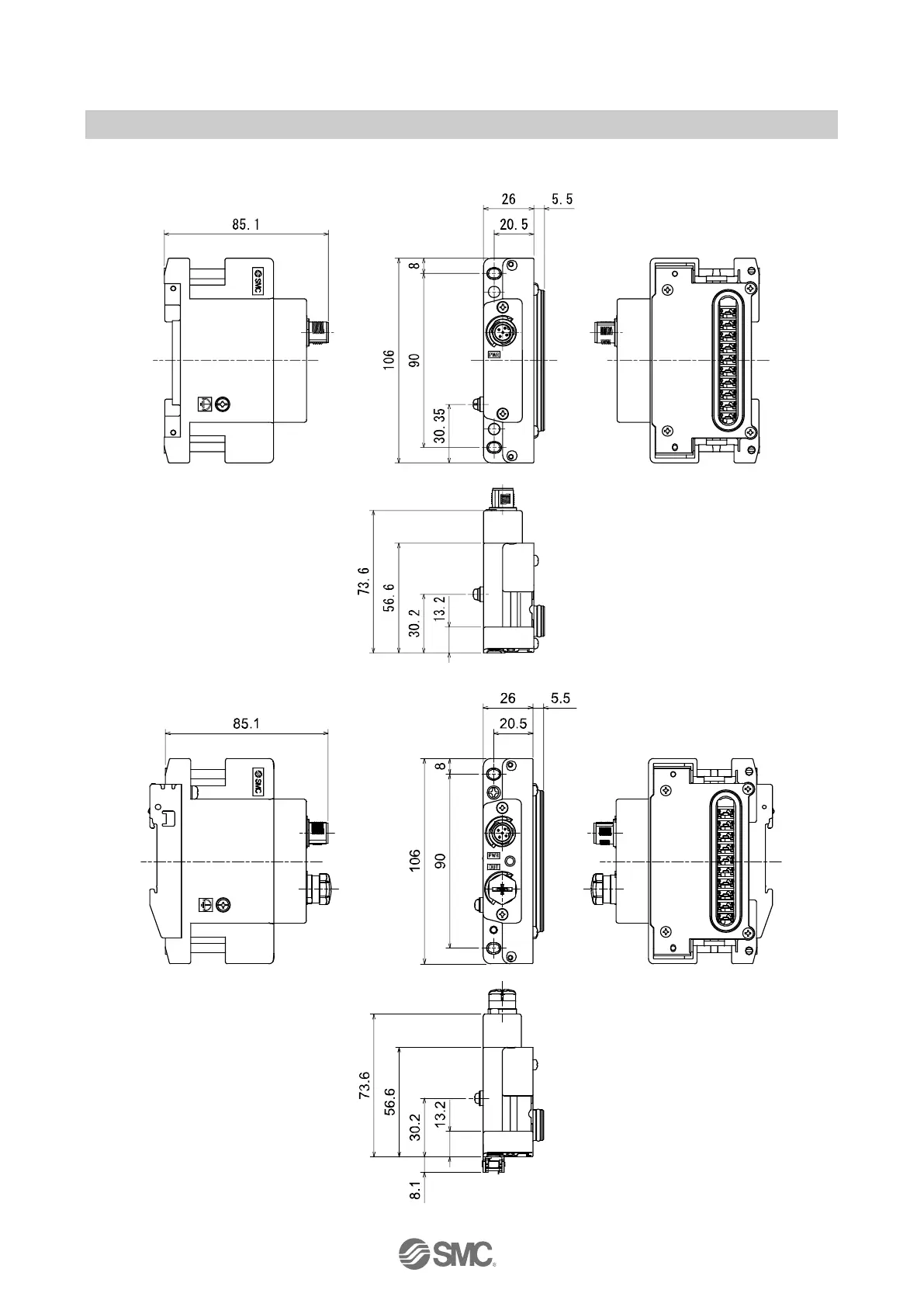
Dimensions
•EX600-ED2
•EX600-ED2-3

Related product manuals