EasyManua.ls Logo

Smeg ST323PM - Page 20

Smeg ST323PM
20 pages
Print Icon
To Previous Page IconTo Previous Page
To Previous Page IconTo Previous Page
Loading...
Installation
20
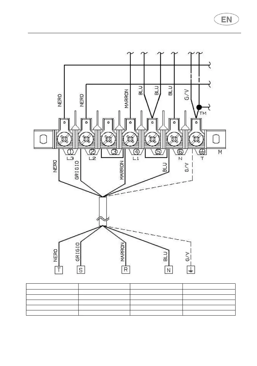
CONNECTION DIAGRAM 400-415V/50Hz/3/N/PE
COLORE DEI FILI
COLEUR DE FIL
WIRE COLOR
ADERNFABER
GRIGIO
GRIS
GREY
GRAU
LU
BLEU
BLUE
BLAU
MARRON
MARRON
BROWN
BRAUN
NERO
NOIR
BLACK
SCHWARZ
G/V
GIALLO/VERDE
JEUNE/VERT
YELLOW/GREEN
GELB/GRUN

Related product manuals