EasyManua.ls Logo

Smith GBX 70 - Expansion Tank; Indirect-Fired Water Heater; Freeze Protection

Smith GBX 70
40 pages
Print Icon
To Next Page IconTo Next Page
To Next Page IconTo Next Page
To Previous Page IconTo Previous Page
To Previous Page IconTo Previous Page
Loading...
10
D. EXPANSION TANK
1. Consult the tank manufacturer’s instructions for
specific information relating to tank installation. Size
the expansion tank for the required system volume
and capacity. See Table 10.2 in Section 10 for boiler
water content.
2. Expansion tanks are available with built-in fill valves
and check valves for reducing supply water pressure
and maintaining minimum system pressure. Check
the design features of the tank and provide valves as
necessary. Refer back to Figure 3.1 for typical
expansion tank piping.
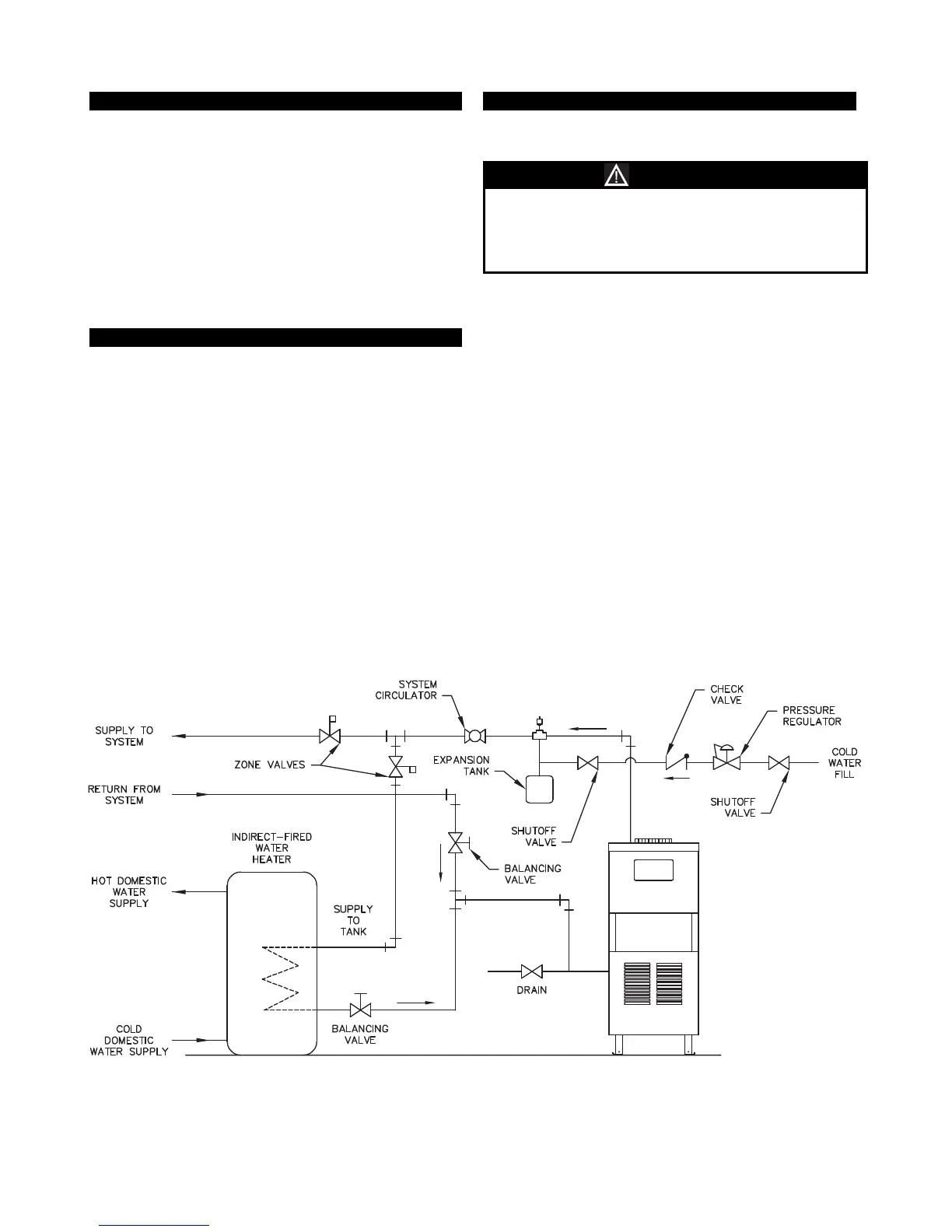
E. INDIRECT-FIRED WATER HEATER
If the boiler is to be used in conjunction with an indirect-
fired water heater, refer to Figure 3.7 for typical piping.
Follow the instructions provided by the water heater
manufacturer. Pipe the water heater as a separate zone.
F. FREEZE PROTECTION
For new or existing systems that must be freeze-
protected:
1. Glycol in hydronic applications is specially
formulated for this purpose. It includes inhibitors
which prevent the glycol from attacking metallic
system components. Make certain that the system
fluid is checked for the correct glycol concentration
and inhibitor level.
2. The glycol solution should be tested at least once a
year and as recommended by the glycol
manufacturer.
3. Glycol solutions expand more than water. For
example, a 50% by volume solution expands 4.8%
in volume for a temperature increase from 32°F
(0°C) to 180°F (82°C), while water expands 3% with
the same temperature rise. Allowance must be made
for this expansion in system design.
INSTALLATION AND OPERATING INSTRUCTIONS
Use only inhibited propylene glycol solutions of up to
50% by volume with water. Ethylene glycol is toxic
and can attack gaskets and seals used in hydronic
systems.
WARNING
Figure 3.7: Typical Piping with Indirect-Fired Water Heater

Related product manuals