EasyManua.ls Logo

Snapper 10305 - Page 5

Snapper 10305
48 pages
Print Icon
To Next Page IconTo Next Page
To Next Page IconTo Next Page
To Previous Page IconTo Previous Page
To Previous Page IconTo Previous Page
Loading...
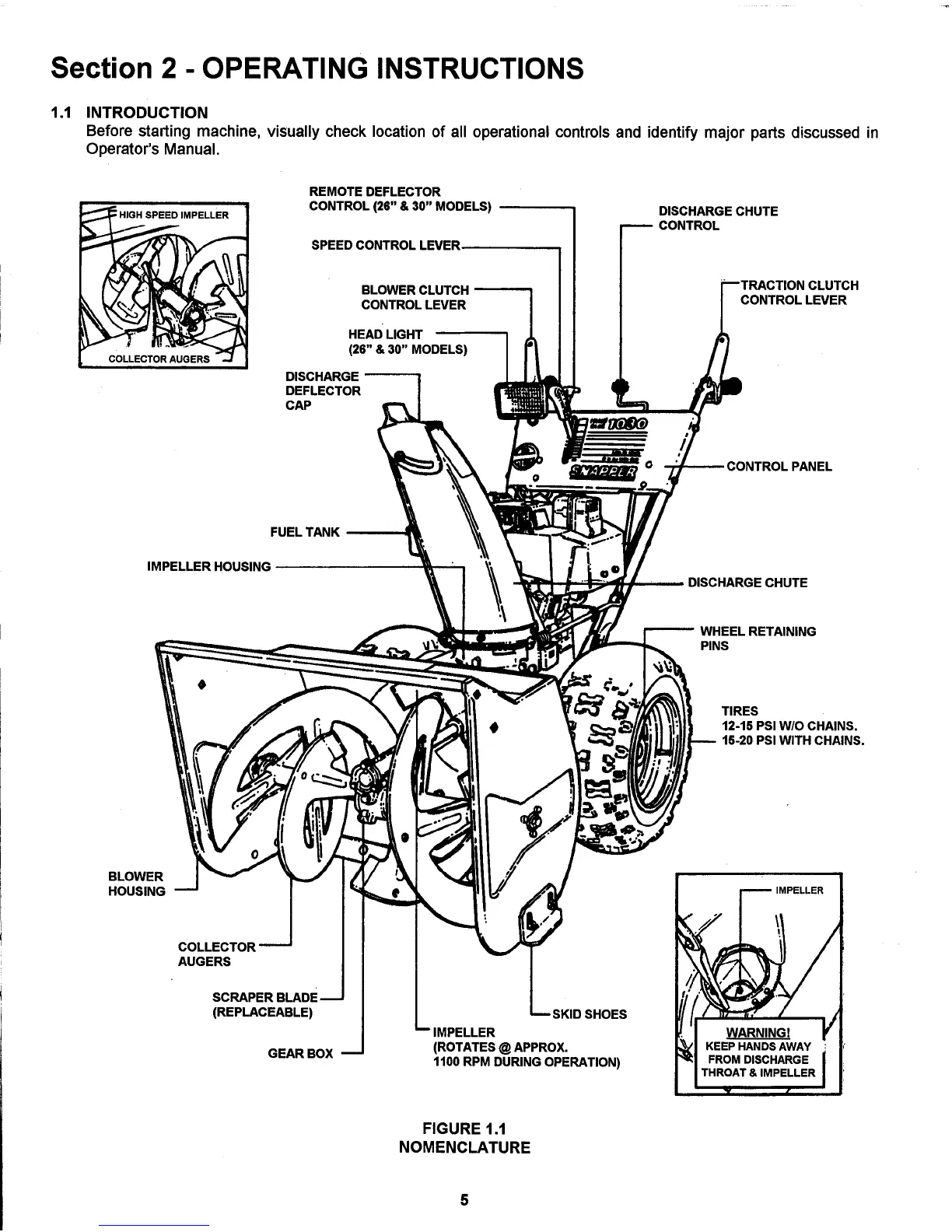
Section 2 -OPERATING INSTRUCTIONS
1.t INTRODUCTION
Before starting machine, visually check location of all operational controls and identify major parts discussed in
Operator's Manual.
COLLECTOR AUGERS
REMOTE DEFLECTOR
CONTROL (26" & 30" MODELS)
SPEED CONTROL LEVER
BLOWER CLUTCH
CONTROL LEVER
HEAD LIGHT
(26" & 30" MODELS)
DISCHARGE
DEFLECTOR
CAP
DISCHARGE CHUTE
CONTROL
CONTROL LEVER
PANEL
FUEL TANK_
IMPELLER HOUSING
BLOWER
HOUSING
COLLECTOR
AUGERS
(REPLACEABLE)
GEAR BOX
SKID SHOES
IMPELLER
(ROTATES @APPROX.
1100 RPM DURING OPERATION)
DISCHARGE CHUTE
_WHEEL RETAINING
PINS
TIRES
12-10 PSI W/O CHAINS.
16-20 PSI WITH CHAINS.
IMPELLER
FIGURE 1.1
NOMENCLATURE

Related product manuals