EasyManua.ls Logo

Snapper 216517B - DRIVE SYSTEM SELF-PROPELLED

Snapper 216517B
56 pages
Print Icon
To Next Page IconTo Next Page
To Next Page IconTo Next Page
To Previous Page IconTo Previous Page
To Previous Page IconTo Previous Page
Loading...
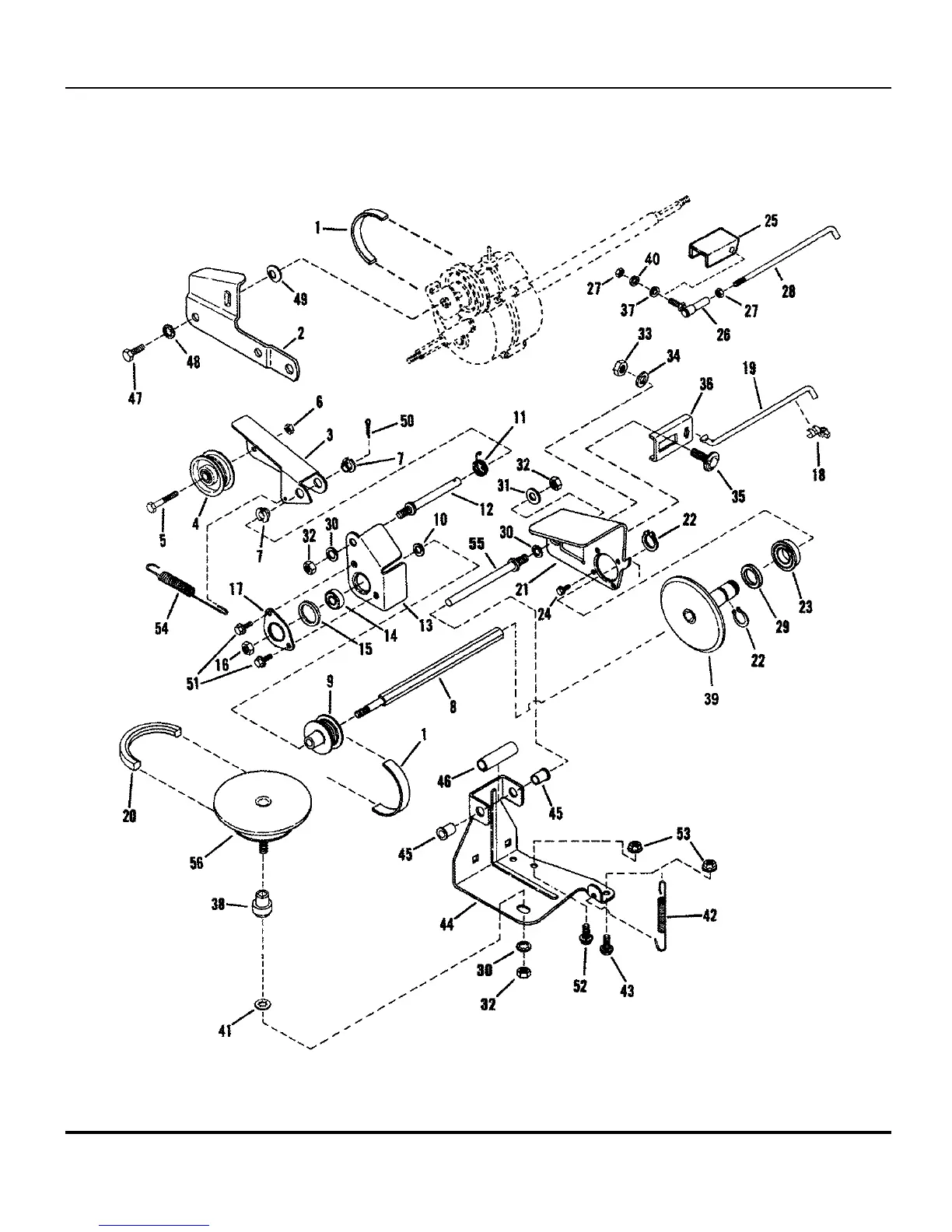
DRIVE SYSTEM SELF-PROPELLED PT.1
TP 400-5002-4-WB-N
Manual No. 7006136 21" STEEL DECK WALK BEHIND MOWERS
SERIES 17
24

Related product manuals