EasyManua.ls Logo

Snapper 216517B - Thatcherizer Accessory

Snapper 216517B
56 pages
Print Icon
To Next Page IconTo Next Page
To Next Page IconTo Next Page
To Previous Page IconTo Previous Page
To Previous Page IconTo Previous Page
Loading...
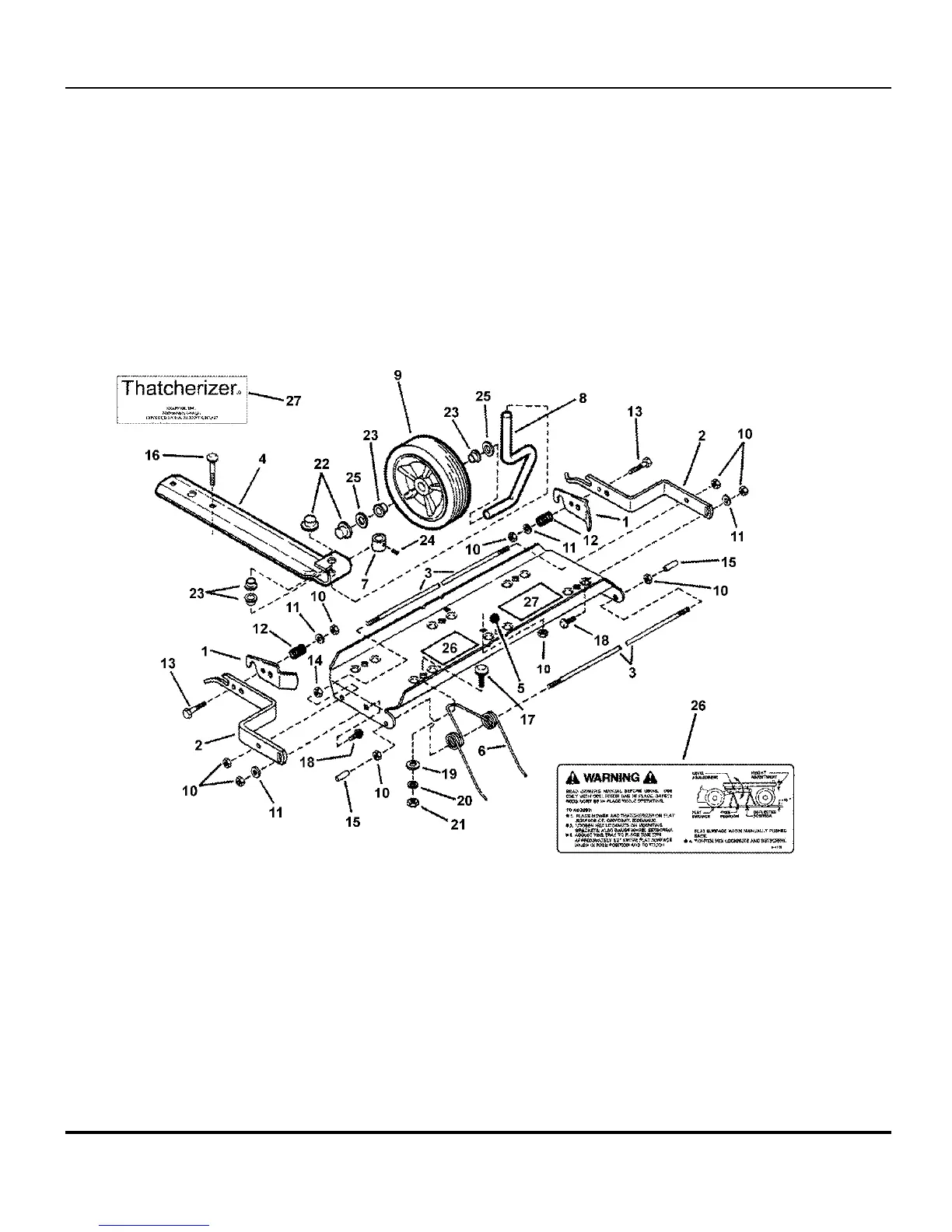
THATCHERIZER ACCESSORY
TP 400-5002-4-WB-N
Manual No. 7006136 21" STEEL DECK WALK BEHIND MOWERS
SERIES 17
46

Related product manuals