EasyManua.ls Logo

Snapper Lawn Mower Accessory - Page 46

Snapper Lawn Mower Accessory
68 pages
Print Icon
To Next Page IconTo Next Page
To Next Page IconTo Next Page
To Previous Page IconTo Previous Page
To Previous Page IconTo Previous Page
Loading...
46
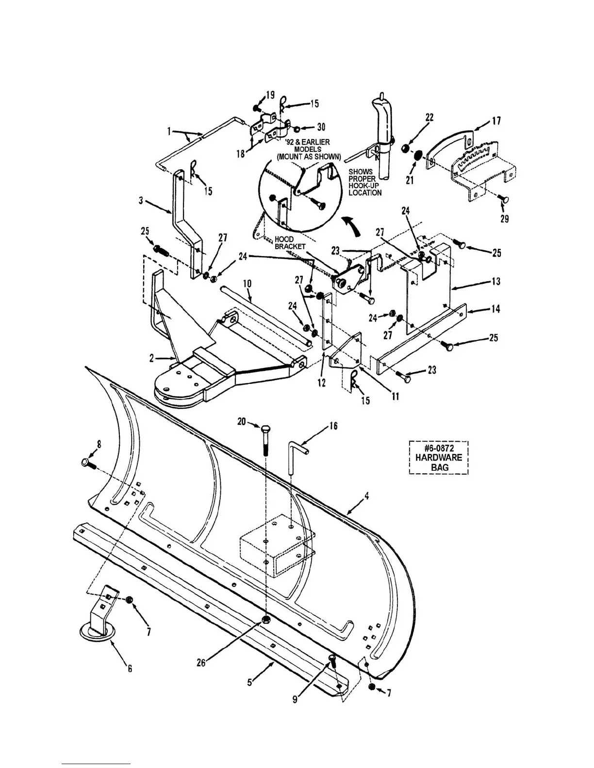
ACCESSORY, 36” SNOW BLADE 6-0873
(for 3-Piece Frame Tractors)
MANUAL No. 06613 LT SERIES (Small Frame)

Related product manuals