EasyManua.ls Logo

Snapper Lawn Mower Accessory - Page 8

Snapper Lawn Mower Accessory
68 pages
Print Icon
To Next Page IconTo Next Page
To Next Page IconTo Next Page
To Previous Page IconTo Previous Page
To Previous Page IconTo Previous Page
Loading...
8
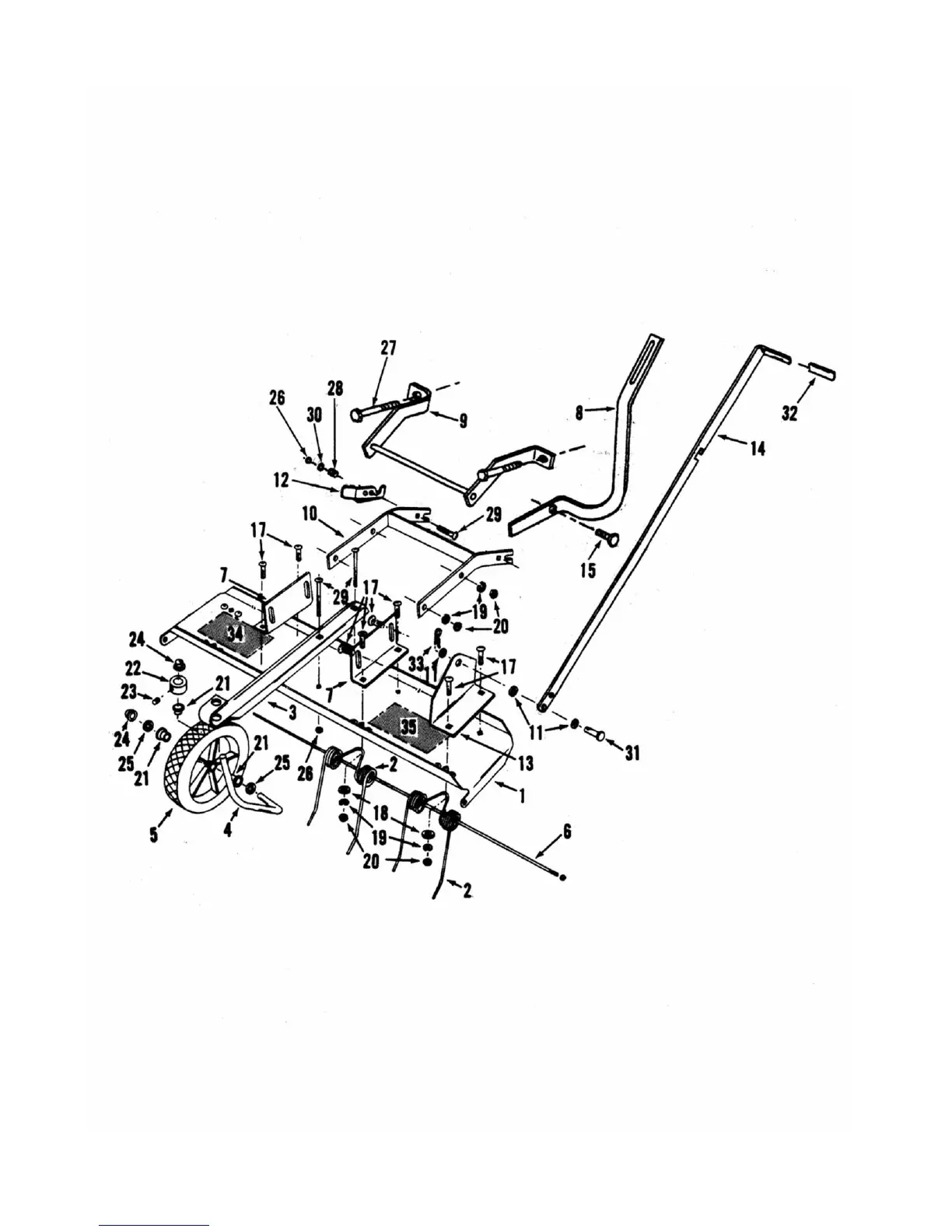
ACCESSORY, THATCHERIZER 6-1247
(for 1-Piece Frame Tractors)
MANUAL No. 06613 LT SERIES (Small Frame)

Related product manuals