EasyManua.ls Logo

Snow Switch GF PRO - System Schematic Diagrams

Default Icon
26 pages
Print Icon
To Next Page IconTo Next Page
To Next Page IconTo Next Page
To Previous Page IconTo Previous Page
To Previous Page IconTo Previous Page
Loading...
South Bend, Indiana USA | networketi.com
SNOW/ICE CONTROL INSTALLATION MANUAL | PART NO. 23918 REV B
9
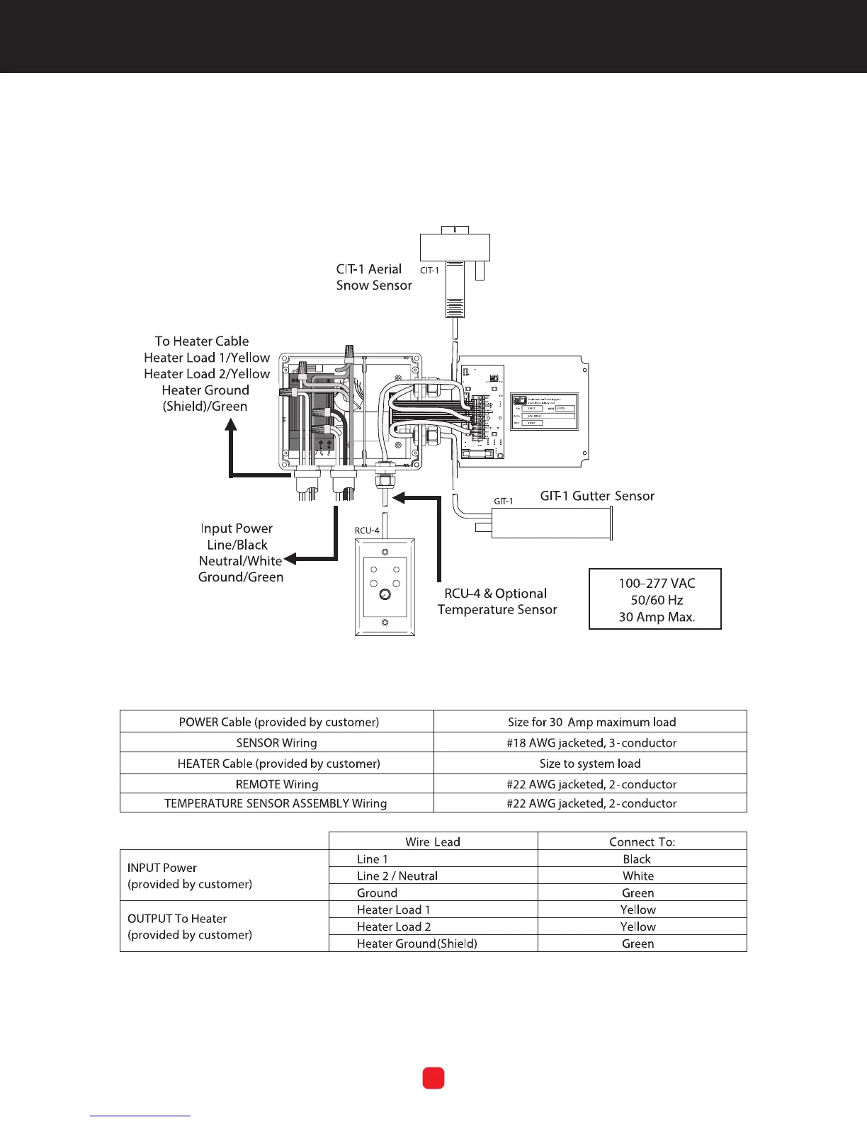
SYSTEM SCHEMATIC DIAGRAMS
Figure 2 is a schematic diagram of an entire GF Pro system,
including the available optional components.
TABLE 2. Cable Ratings and Connections
FIGURE 2. Representative GF PRO System Schematic