EasyManua.ls Logo

SODICK A600 - Page 99

Default Icon
214 pages
Print Icon
To Next Page IconTo Next Page
To Next Page IconTo Next Page
To Previous Page IconTo Previous Page
To Previous Page IconTo Previous Page
Loading...
Wire EDM Machine Operation Chapter 9
Copyright November, 98 Page 9-7 Sodick Inc.
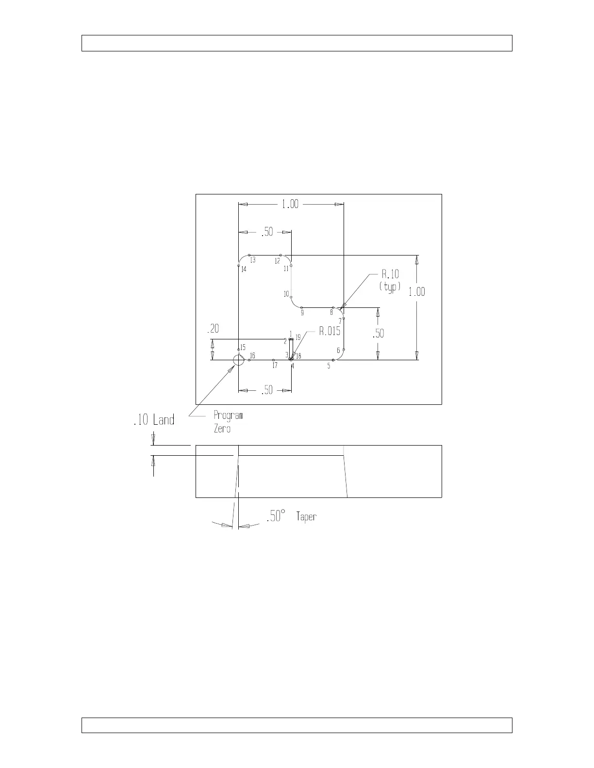
Say you looked in the condition manual and found the conditions and offsets to be as
follows:
Rough pass (with taper) - C411 and H062
Trim pass (straight portion) - C620 and H053
Figure 9-3
NC Program for figure 9-3
N005 G54 (SELECT COORDINATE SYSTEM)
N010 G92 X.5 Y.2 (SET PROGRAM ZERO)
N015 G90 (SELECT ABSOLUTE MODE)
N020 C411 (SELECT CONDITION FOR ROUGH PASS)

Table of Contents

Related product manuals