EasyManua.ls Logo

Sofarsolar HYD 10KTL-3PH - Page 36

Default Icon
76 pages
Print Icon
To Next Page IconTo Next Page
To Next Page IconTo Next Page
To Previous Page IconTo Previous Page
To Previous Page IconTo Previous Page
Loading...
HYD 5-20KTL-3PH User manual
Copyright © Shenzhen SOFARSOLAR Co., Ltd
- 31 -
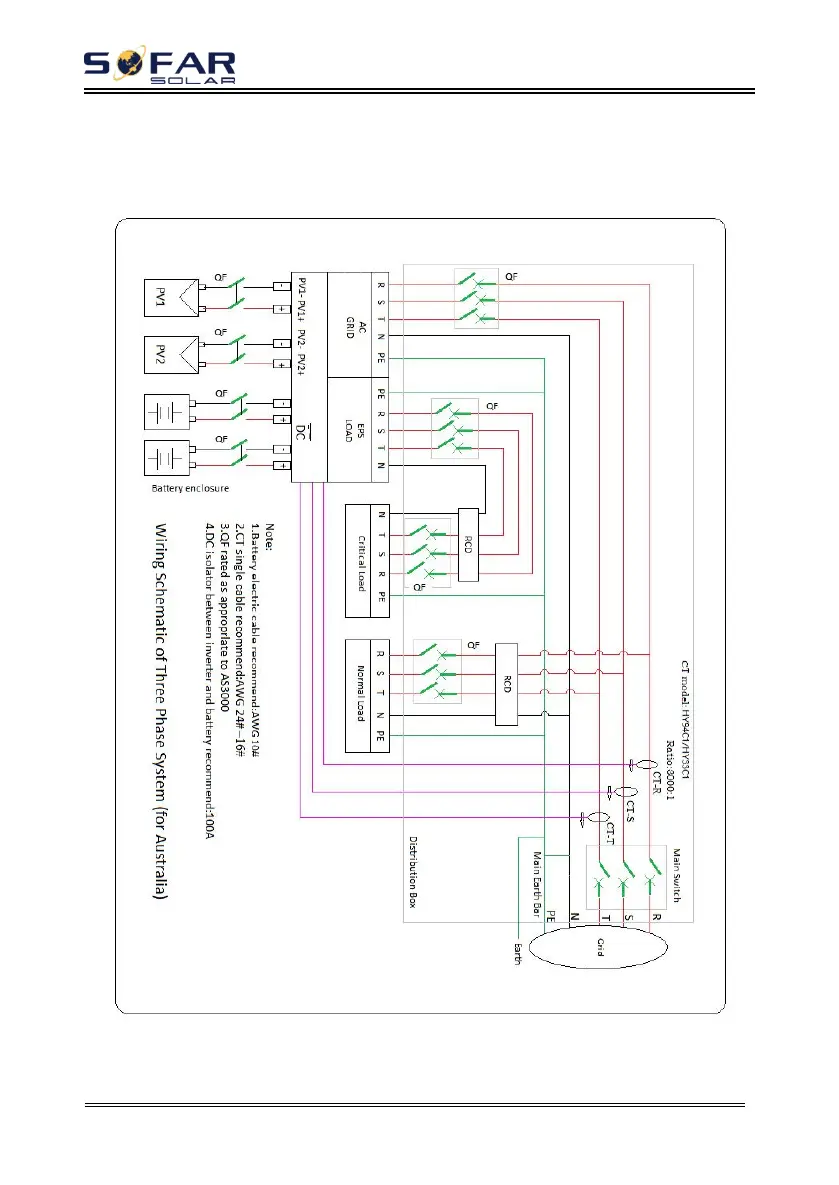
Fig. 4-15 Electrical connections (Plan A:CT)
There are two situations when CT is installed. One is to connect in the correct CT direction. The
direction should refer to the figure below, from the inverter to the power grid. One is the random CT
direction, and then the use of CT calibration function for calibration. CT calibration procedures refer to
this manual 6.3.2>>8.CT calibration.

Other manuals for Sofarsolar HYD 10KTL-3PH

Related product manuals