EasyManua.ls Logo

Solwave 180MWAS12T - Page 26

Solwave 180MWAS12T
27 pages
Print Icon
To Next Page IconTo Next Page
To Next Page IconTo Next Page
To Previous Page IconTo Previous Page
To Previous Page IconTo Previous Page
Loading...
24
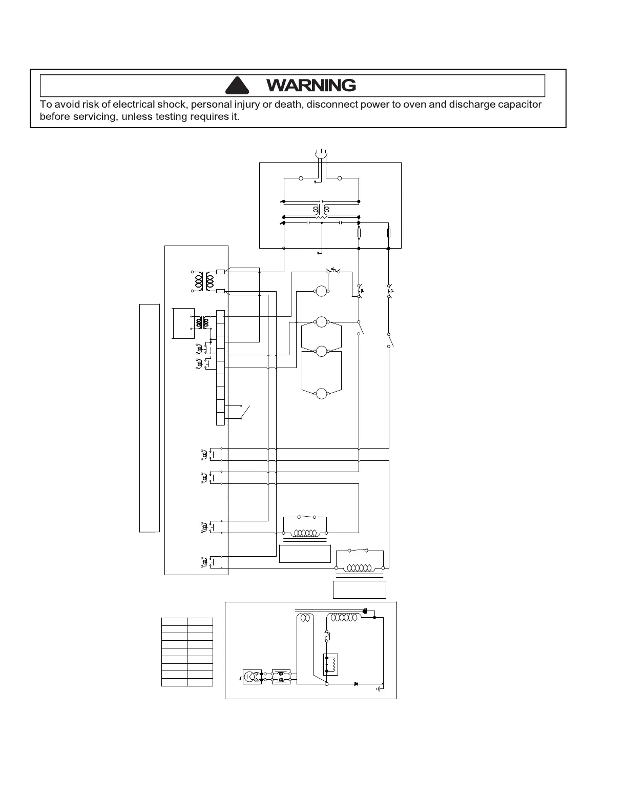
!
PART NO: 20063001
L
N
BN
BL
GN
1 3
4
5
BN
8
9
WH
WH
PK
BK
BK
BN
(C)
(NC)
AC 120V/60Hz
SINGLE PHASE ONLY
OVE N LIGHT
SM
TOP STIRRER
MOTOR
OL
SM
NOISE FILTER ASSEMBLY
TOP INTERLOCK
MONI TOR
SW ITCH
TOP PRIMARY
INTERLOCK
SW ITCH
SECONDARY
INTERLOCK
SW ITCH
(CN1)
MAIN PCB
CURREN T
TRANSFORMER
L.V.TRANSFORMER
RY7
RY1
RY3
RY5
NOTE :
1.DOOR IS OPENED
2.W IRE COLOR
BEFORE SE RVICING
Discharge the high voltage capacitor by shorting
the negative high voltage terminal of it to chassis ground
SYSMBOL
COLOR
BLACK
BROW N
BLUE
GREEN
PINK
RED
WHITE
YELLOW
BK
BN
BL
GN
PK
RD
WH
YL
YL
250V/15A
FUSE
250V/15A
FUSE
BM
OVEN
TCO
BLOWER MOTOR
BTM STIRRER
MOTOR
WH
BTM PRIMARY
INTERLOCK
SW ITCH
(C)
(NC)
BTM INTERLOCK
MONI TOR
SW ITCH
AUTO
VOLT
AGE
DETECTION
TOP MA GNE TRON
SEE HV CIRCUIT
BTM MAGNETRON
SEE HV CIRCUIT
MA GNE TRON
H.V.
CAPACITOR
H.V.DIODE
CHOKE FILTE R
HV CIRCUIT (2 PLACES)
FUSE HOLDER
RD
WH
PK
BL
WH
BK
BK
BL
BN
BN
BK
WH
BK
BK
WH
RD
GN
BN
BL
BTM MGT
TCO
TOP MGT
TCO
H.V.
FUSE
RY10RY9
BK
RD
BK
Schematic / Wiring Diagram 180MWAS12T

Related product manuals