EasyManua.ls Logo

Somatics Thymatron System IV - Page 17

Somatics Thymatron System IV
33 pages
Print Icon
To Next Page IconTo Next Page
To Next Page IconTo Next Page
To Previous Page IconTo Previous Page
To Previous Page IconTo Previous Page
Loading...
SOMATICS, LLC REV: 3.1 09/15/2015
17
POWER /OUTPUT
BOARD
CONTROL BOARD
ENERGY
SW505
DISPLAY
IMPEDANCE
SW503
ECT
EEG
CN501
TREAT
SW502
T101
POWER
T102
OUTPUT
IEC
F1
F2
VOLUME
PR101
SPEAKER
POWER
SW507
ANALOG BOARD
CN202
CN201
CN203
CN205
PRINTER
CN301
CN 304
CN602
SET/ADJUST
SW506
START/STOP
SW504
ALARM
SW601
CN404
CN407
CN406
CN302
CN204
RS232
CN601
SW602
115/230V
SWITCH
CN106
CN206
DIAGNOSTIC
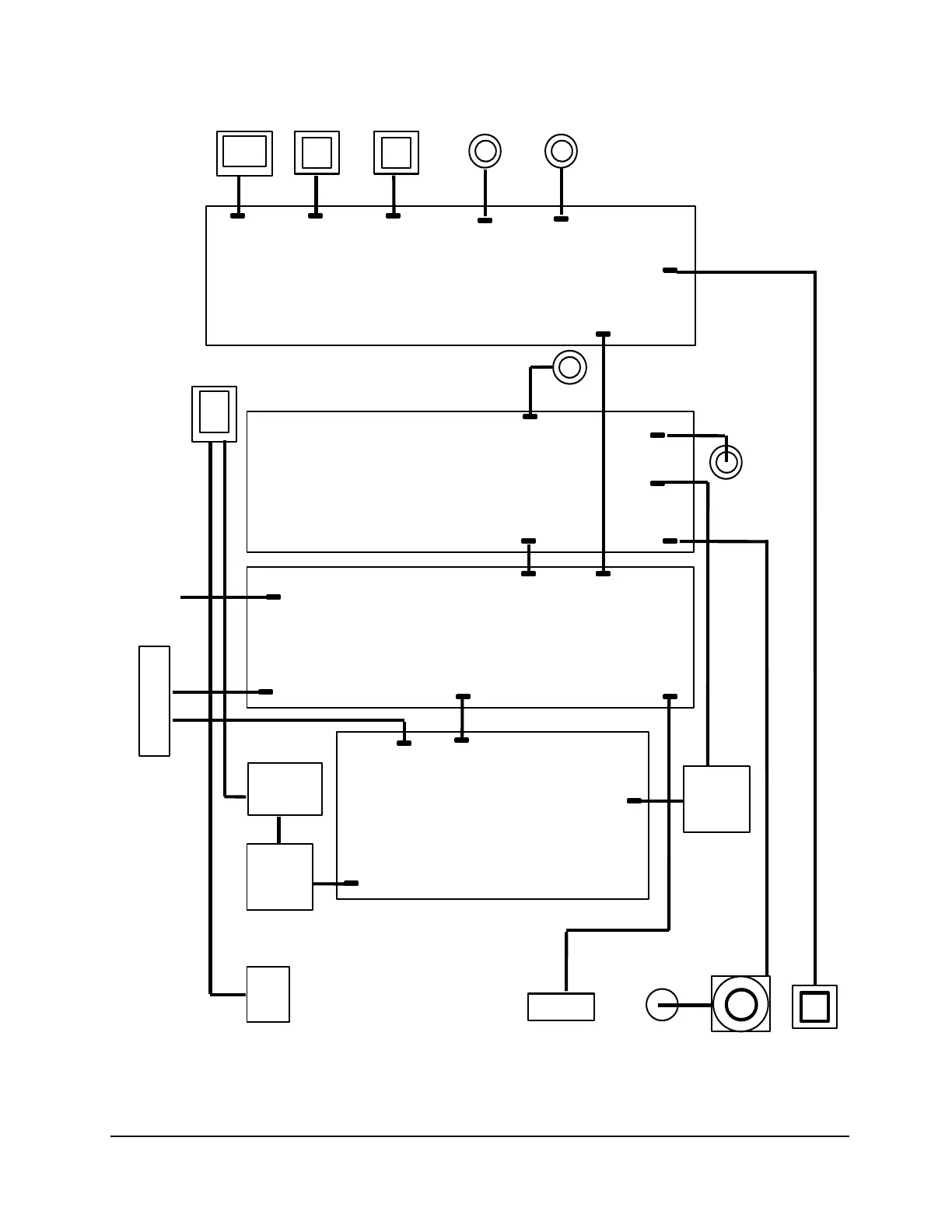
fig 4.1

Other manuals for Somatics Thymatron System IV