EasyManua.ls Logo

Somatics Thymatron System IV - Safety Check Procedures

Somatics Thymatron System IV
33 pages
Print Icon
To Next Page IconTo Next Page
To Next Page IconTo Next Page
To Previous Page IconTo Previous Page
To Previous Page IconTo Previous Page
Loading...
SOMATICS, LLC REV: 3.1 09/15/2015
8
2. SAFETY CHECK PROCEDURE
NOTE: THIS PROCEDURE SHOULD BE PERFORMED AT LEAST ONCE A YEAR
2.1 Upon unpacking check for any frayed or damaged cord or cable.
2.2 Check for ground continuity by connecting a DMM between the ground contact on the
power plug and any convenient ground on the chassis e.g. screw or connector. The reading
should be below 1 ohm.
2.3 Check for isolation of the ECT electrodes by measuring the resistance between either of
the ECT electrodes and the ground. The reading should be greater than 20 Megohms.
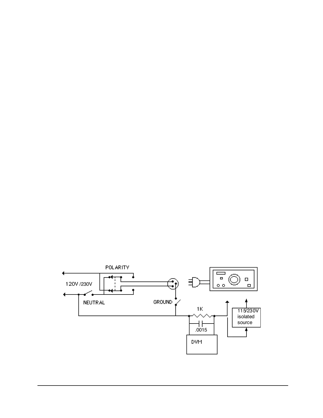
2.4 Check AC leakage by using a commercial leakage tester or by using a test box constructed
so as to permit disconnecting ground, neutral and reversing AC polarity as in figure 2.1.
Test leakage under any combination of the switch settings. All current readings should be
less than the maximum reading in µamps RMS read according to chart below between any
chassis or electrode point and the test box.
Leakage to Ground (Source)
GROUND POWER POLARITY LEAKAGE (µA)
ON ON Normal _________ (<1.0)
ON ON Reverse _________ (<1.0)
ON OFF Reverse _________ (<1.0)
ON OFF Normal _________ (<1.0)
OFF ON Normal _________ (<100)
OFF ON Reverse _________ (<100)
OFF OFF Reverse _________ (<100)
OFF OFF Normal _________ (<100)
Leakage to Patient (Sink), use the isolated voltage source in series with the probe.
GROUND POWER POLARITY LEAKAGE (µA)
ON ON Normal _________ (<20)
Fig 2.1

Other manuals for Somatics Thymatron System IV