EasyManua.ls Logo

SonicAire COMMAND15 - Page 12

SonicAire COMMAND15
13 pages
Print Icon
To Next Page IconTo Next Page
To Next Page IconTo Next Page
To Previous Page IconTo Previous Page
To Previous Page IconTo Previous Page
Loading...
Command15
Owner’s Manual
11
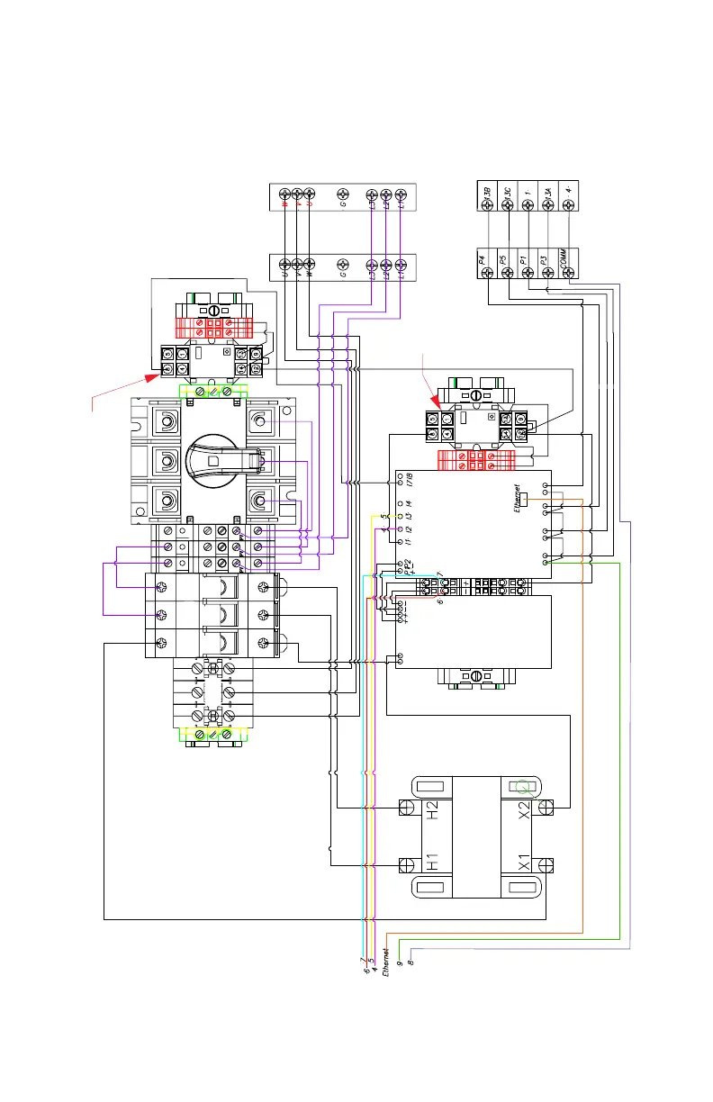
Subpanel
Process Control Relay
TB2
T1
F1 F2 F3
1AMP
1/2AMP 1/2AMP
CR1
LS
LENZE
LS
LENZE
CR2
10 AWG
10 AWG
Fire
Control
Relay
Figure 6.4
Command15 wiring diagram