EasyManua.ls Logo

Sony CDP-101 - Disassembly Steps: Switch Boards and Motors

Sony CDP-101
88 pages
Print Icon
To Next Page IconTo Next Page
To Next Page IconTo Next Page
To Previous Page IconTo Previous Page
To Previous Page IconTo Previous Page
Loading...
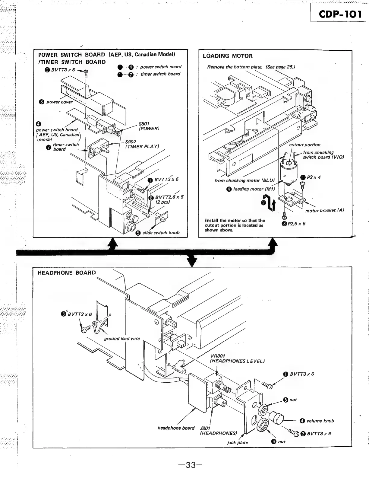
CDP-101
POWER
SWITCH
BOARD
(AEP,
US,
Canadian
Model)
/TIMER
SWITCH
BOARD
O~—@
:
power
switch
coard
@
BVTT3x6
E
O~@
:
timer
switch
board
LOADING
MOTOR
Remove
the
bottom
plate.
(See
page
25.)
Z
$801
i
power
switch
board
~
(POWER)
{
(ee
US,
eee)
i
model
7)
timer
switch
(TIMER
PLAY)
cutout
portion
board
from
chucking
switch
board
(VIO)
7
from
chucking
motor
(BLU)
@
/oading
motor
(M1)
ol
motor
bracket
(A)
Install
the
motor
so
that
the
cutout
portion
is
located
as
@r2.6x
5
shown
above.
HEADPHONE
BOARD
©
8v7T3
x6
@
BVTT3x6
Q
nut
|
(ih
Gio—e
volume
knob
headphone
board
J807
Ly
ee
(HEADPHONES)
eg
@
8VTT3
x6
jack
plate
@
nut

Related product manuals