EasyManua.ls Logo

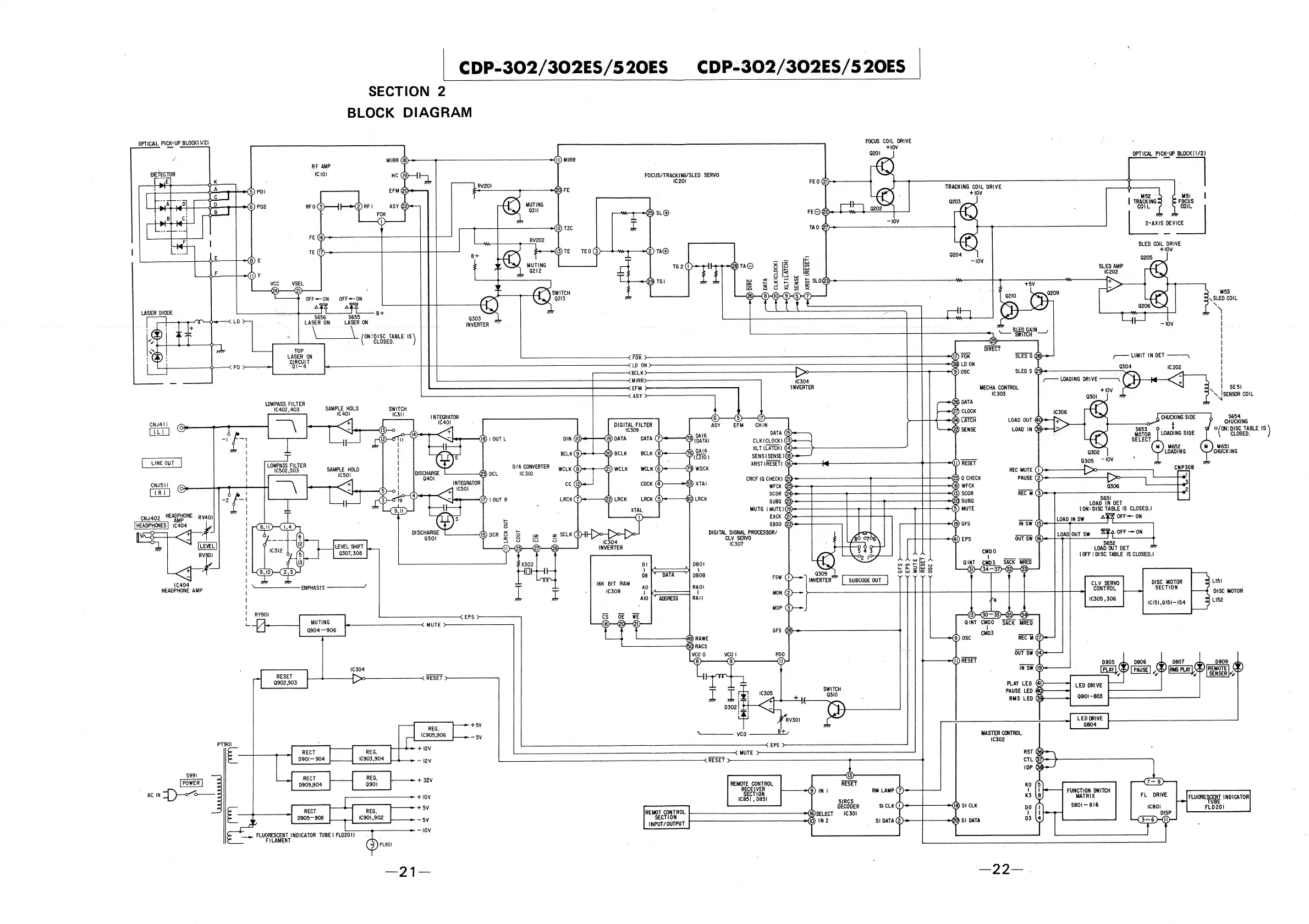
Sony CDP-302ES - Block Diagrams; Optical Pick-up and Servo Circuit Block Diagrams; Signal Processing and Control Circuit Block Diagrams

Sony CDP-302ES
43 pages
Print Icon
To Next Page IconTo Next Page
To Next Page IconTo Next Page
To Previous Page IconTo Previous Page
To Previous Page IconTo Previous Page
Loading...

Related product manuals