EasyManua.ls Logo

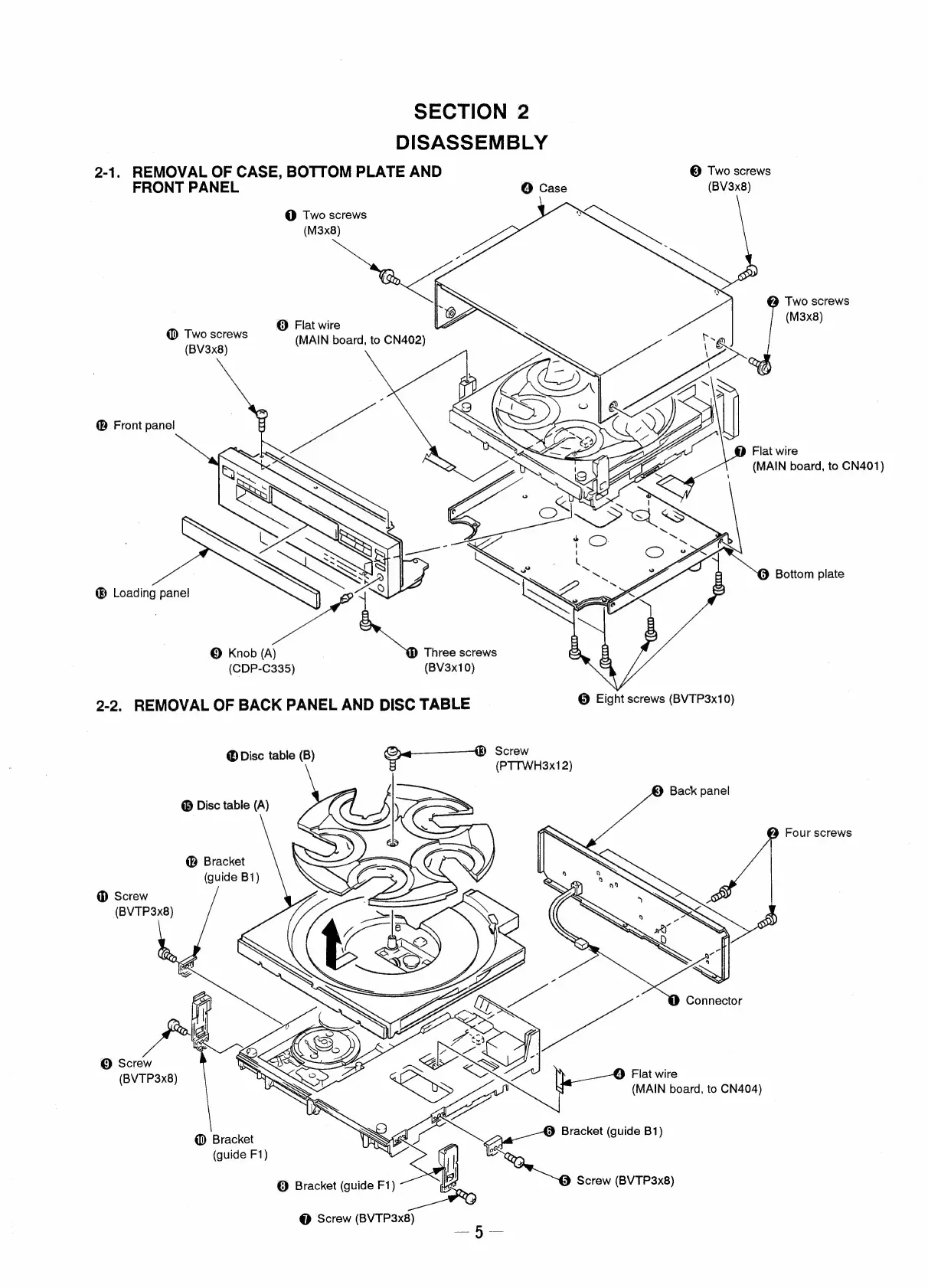
Sony CDP-C245 - Disassembly; Removal of Case, Bottom Plate and Front Panel

Sony CDP-C245
35 pages
Print Icon
To Next Page IconTo Next Page
To Next Page IconTo Next Page
To Previous Page IconTo Previous Page
To Previous Page IconTo Previous Page
Loading...

Other manuals for Sony CDP-C245

Related product manuals