EasyManua.ls Logo

Sony CDP-C345 - Page 31

Sony CDP-C345
35 pages
Print Icon
To Next Page IconTo Next Page
To Next Page IconTo Next Page
To Previous Page IconTo Previous Page
To Previous Page IconTo Previous Page
Loading...
*
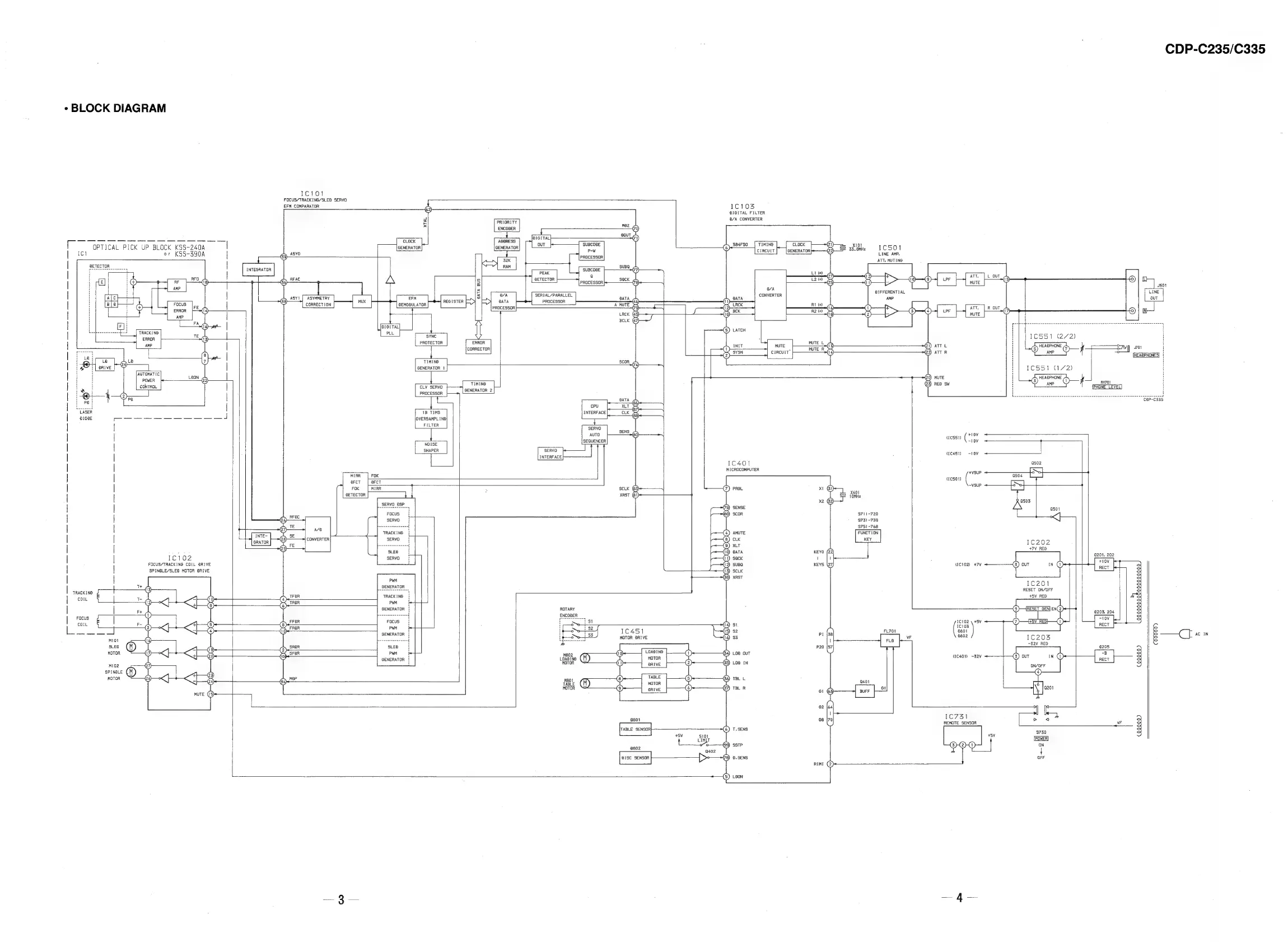
BLOCK
DIAGRAM
IC101
FOCUS/TRACKING/SLE®
SERVO
EFM
COMPARATOR
XTAL
PRIORITY
ENCODER
ADDRESS
MDZ
1G
TAL!
OUT
HS)
1C103
DIGITAL
FILTER
8/A
CONVERTER
(ICS!)
(a
(C451)
-10V
+YSUP
(1C501)
(
-VSUP
(1C102)
+7V
OV
rn
a
I1C202
+7V_REG
RESET
ON/OFF
+5V
REG
CDP-C235/C335
£201,
202
8203,
204
1€102
\
+5V
10103
0801
£802
(10401)
-32V
1C205
~32V_REG
IC731
REMOTE
SENSOR
-s-
eer
rr
EO
Oe
CLOCK
OUT
SUBCOBE
3B4FS0
CLOCK
[
"OPTICAL
PICK
UP
BLOCK
KSS~240A
|
GENERATOR
ee
©
ee
ee
S
sith
§=1CSO1
|
1C1
or
KS5S5-590A
69
ASYO
—_
psaresson
pee
|
ceemesnasc
nen
SUBCOBE
aus
77)
|
onl
ee
ce
a)
she
|
7
D-REAC
_
A
g
AETECTOR
anicesson
SOCK
6a,
L2w
|
<
B/A
=
a/A
SERIAL/PARALLEL
CONVERTER
asy1_[
ASYMMETRY
EFM
a
BATA
|
8)
CORRECTION
ms
BEMOBULATOR
REGISTER
[>
einen
EROPESSOR
A
MUTE
8
8
LRCK
RI)
@
oo
apeies
es
re
BOK
R2
(+)
i
|
|
BCLK
G7)
BIGITAL
|
Potassseseecs
TRACKING
|
PLE
SYNC
©
aoe
|
pried
PROTECTOR
ERROR
jae
are
MUTE
Loy
—~
|
CORRECTOR
(1)
eyes
jaca
MUTE
R
><
|
H
*
|
TIMING
SCOR
6
|
i
i
|
GENERATOR
1
|
t
H
AUTOMATIC
can
|
POWER
TIMING
'
i
PROCESSOR
|
!
©
i
|
BATA
@)
|
cites
ot
|
cu
Lt
LASER
1B
TIMS
INTERFACE|
CLK
__)
|
DIODE
Ree
OVERSAMPL
ING
|
|
FILTER
SERVO
|
|
AUTO
0)
NOTE
SEQUENCER
| |
SHAPER
SERVO
-—
|
| |
INTERFACE
10401
| |
MICROCOMPUTER
|
|
MIRR
| |
FCT
FOK
SCLK
63
(7)
PRGL
xi
&
>
SETECTOR
XRST
é).-—_—_|
as
fin
|
|
@—
TOMHz
|
_SERVO_9SP
Gass
ae
(66
SCOR
$711-720
| |
9731-739
=e
ee
eee
$751-768
| |
TNTEL
4
Ma
(4)
AMUTE
FUNCTION
|
SRATOR
28)
CONVERTER
a)
cLK
KEY
es
aren)
(he
=
=)
xr
(9
BATA
KEYO
(22
|
I1C102
{9
SQCK
'
'
FOCUS/TRACKING
COIL
@RIVE
;—®
SUBQ KEYS
(27
SPINBLE/SLE®
MOTOR
SRIVE
=
ee
SCLK
|
$0)
XRST
|
GENERATOR
TRACKING:
TFAR
TRACK
ING
COIL
TRO
PWM
|
\
GENERATOR
ROTARY
|
eacus
ENCODER
col.
a
||
(4
s1
|
—_t
0
1C451
(15)
$2
FL701
io
aes
PL
138
MOTOR
BRIVE
(16)
53
|
FLD
Mi
SRAR
P20
(57
SFBR
802
(i)
‘©
LOABING
(1)
&4)
Loo OUT
LOADING
a
a
Lad
=
<<)
abies
MOTOR
(1})
(2)
@5)
108
IN
MBP
eo
®
(8)
@é)
TRL
L
Geol
MOTOR
(3)
G7)
TEL
R
Gt
G2
|o4
I
#801
ce
|70
(6)
T.SENS
and
@9)
ssTP
0402
(78)
.SENS
RIMI
(2)
=—{5)
LDON
VE
3730
POWER,
ON
'
OFF
+5V
©)
|
i
4501
LINE
OUT
€)
|
E-
1C551
(2/2)
HEADPHONE
{
ee
HEADPHONES}
}
1C551
(172)
|
Se
ae
es
:
5
—C[«
IN

Other manuals for Sony CDP-C345

Related product manuals