EasyManua.ls Logo

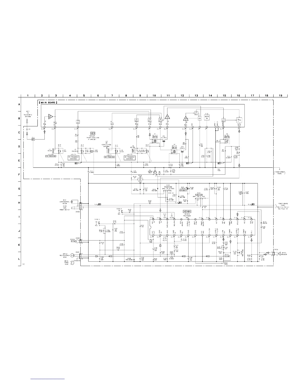
Sony CFM-10 - Schematic Diagram (New Main Board)

Sony CFM-10
23 pages
Print Icon
To Next Page IconTo Next Page
To Next Page IconTo Next Page
To Previous Page IconTo Previous Page
To Previous Page IconTo Previous Page
Loading...
– 5 – – 6 –
CFM-10/10L
r
SCHEMATIC DIAGRAM (CFM-10 : US, Canadian, C&SA model only) (Service Manual See page 11, 12)
Note:
All capacitors are in µF unless otherwise noted. pF: µµF
50 WV or less are not indicated except for electrolytics
and tantalums.
All resistors are in and
1
/
4
W or less unless otherwise
specified.
¢
: internal component.
U : B+ Line.
H : adjustment for repair.
Voltages are dc with respect to ground under no-signal
(detuned) conditions.
no mark : FM
( ) : PLAY
Voltages are taken with a VOM (Input impedance 10 M).
Voltage variations may be noted due to normal produc-
tion tolerances.
Signal path.
F : FM
E : PB
a : REC
Abbreviation
C&SA : Central and South America

Related product manuals