EasyManua.ls Logo

Sony CFM-D1 - Exploded Views and Parts; Front Cabinet Exploded View

Sony CFM-D1
17 pages
Print Icon
To Next Page IconTo Next Page
To Next Page IconTo Next Page
To Previous Page IconTo Previous Page
To Previous Page IconTo Previous Page
Loading...
– 15 –
SECTION 5
EXPLODED VIEWS
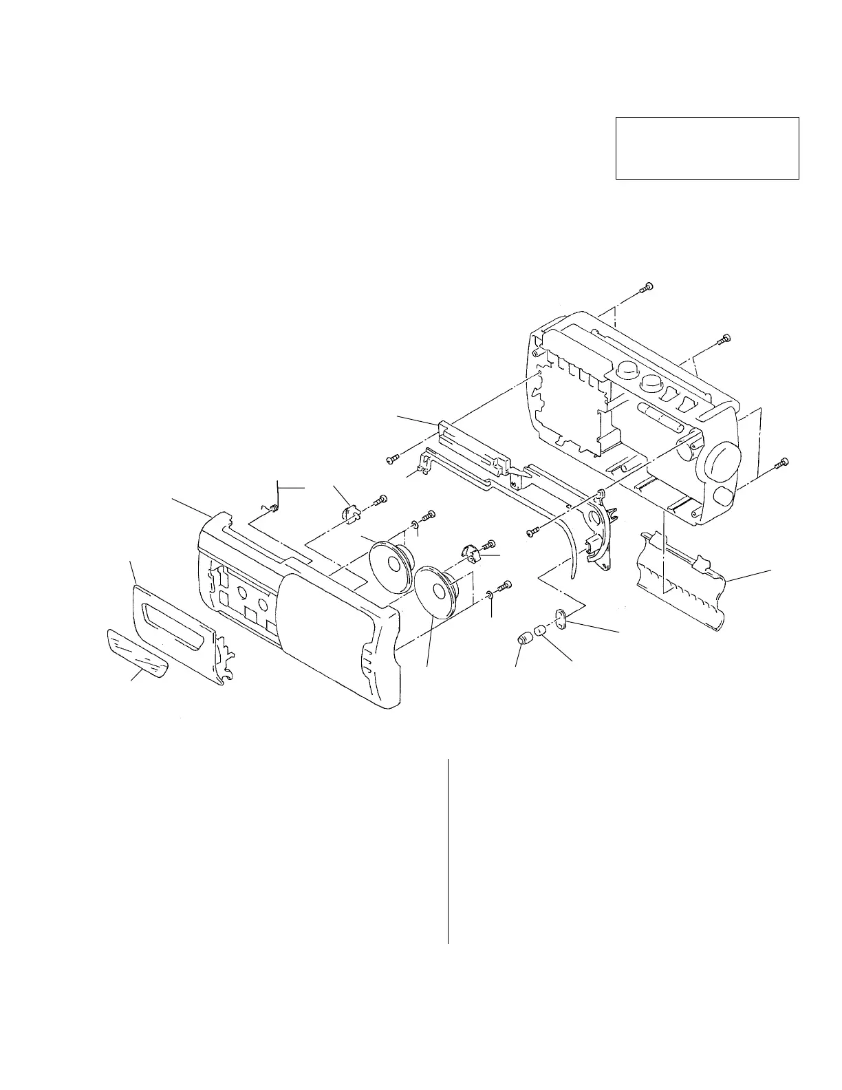
Ref. No. Part No. Description Remark
––––––– ––––––– ––––––––– ––––––
1 3-928-329-01 WINDOW, CASSETTE
2 3-928-320-01 HOLDER, CASSETTE (BLACK)
2 3-928-320-11 HOLDER, CASSETTE (RED) (E15,EA,UAE)
3 X-3371-333-1 CABINET (FRONT) SUB ASSY (BLACK)
(EXCEPT EA)
3 X-3371-334-1 CABINET (FRONT) SUB ASSY (RED)(E15,UAE)
3 X-3371-335-1 CABINET (FRONT) SUB ASSY (BLACK) (EA)
3 X-3371-336-1 CABINET (FRONT) SUB ASSY (RED) (EA)
4 3-911-263-01 SPRING, CASSETTE
5 3-922-112-31 DAMPER
6 3-928-336-01 RACK, POINTER
* 7 3-928-337-01 CHASSIS, TUNING
8 3-911-257-51 LID, BATTERY CASE (BLACK)
8 3-911-257-61 LID, BATTERY CASE (RED) (E15,EA,UAE)
* 9 1-659-687-11 ECM BOARD
* 10 3-911-281-01 CUSHION, MIC
SP101 1-505-202-11 SPEAKER (L-CH)
SP102 1-505-202-11 SPEAKER (R-CH)
MIC101 1-542-118-11 MICROPHONE, ELECTRET CONDENSER
Ref. No. Part No. Description Remark
––––––– ––––––– ––––––––– ––––––
#3
#3
8
1
2
3
4
5
6
7
9
10
#1
#1
#1
#1
#2
#2
MIC101
not supplied
not supplied
SP102
r
The mechanical parts with no reference num-
ber in the exploded views are not supplied.
r
Hardware (# mark) list and accessories and
packing materials are given in the last of this
parts list.
NOTE :
r
-XX, -X mean standardized parts, so they may
have some differences from the original one.
r
Color indication of Appearance Parts
Example :
KNOB, BALANCE (WHITE) ....... (RED)
r
Items marked “
*
”are not stocked since they
are seldom required for routine service. Some
delay should be anticipated when ordering
these items.
not supplied
The components identified by mark
! or dotted line with mark ! are criti-
cal for safety.
Replace only with part number speci-
fied.
SP101
Parts color Cabinet's color
N
N
r
Abbreviation
EA : Saudi Arabia
UAE : United Arab Emirates
E15 : 220-240V AC, Area
5-1. FRONT CABINET SECTION
#3
Ver 1.1 2002.02

Other manuals for Sony CFM-D1

Related product manuals