EasyManua.ls Logo

Sony D-V8000 - Page 40

Sony D-V8000
78 pages
Print Icon
To Next Page IconTo Next Page
To Next Page IconTo Next Page
To Previous Page IconTo Previous Page
To Previous Page IconTo Previous Page
Loading...
– 56 –
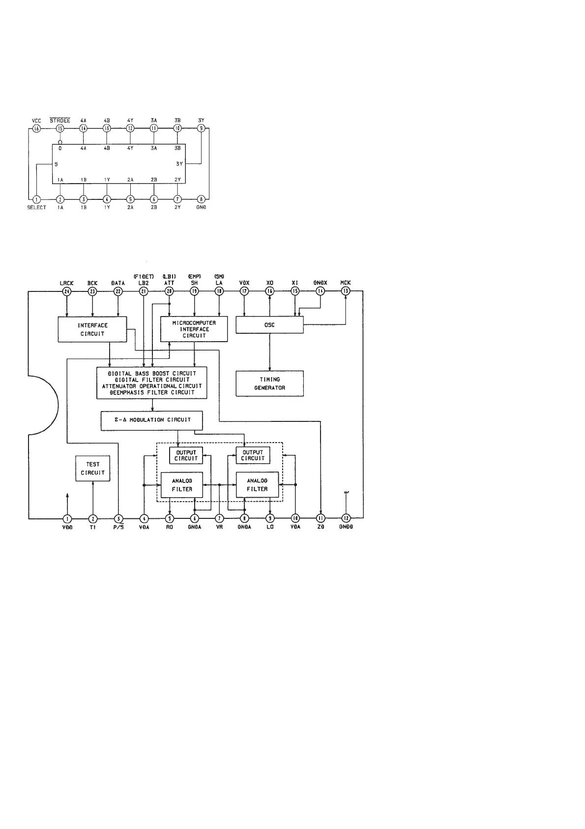
• IC Block Diagrams
– MAIN Board (1/2) –
IC301 TC74VHC157F
IC320 TC9434AFNEL