EasyManua.ls Logo

Sony D-V8000 - Page 42

Sony D-V8000
78 pages
Print Icon
To Next Page IconTo Next Page
To Next Page IconTo Next Page
To Previous Page IconTo Previous Page
To Previous Page IconTo Previous Page
Loading...
– 58 –
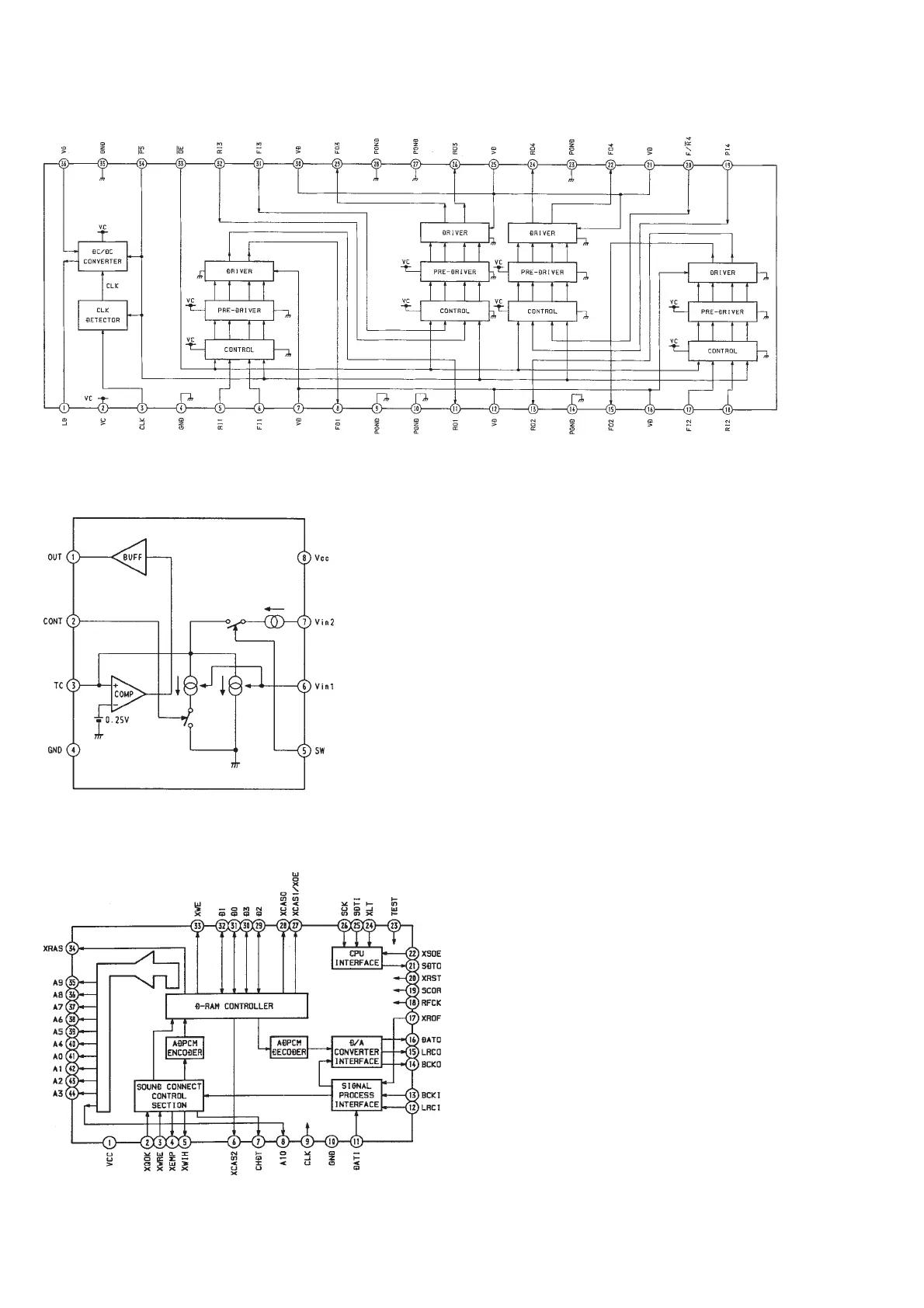
IC502 MPC17A38ZVMEL
IC602 BA3890F
IC680 RS5C357