EasyManua.ls Logo

Sony D-V8000 - Page 43

Sony D-V8000
78 pages
Print Icon
To Next Page IconTo Next Page
To Next Page IconTo Next Page
To Previous Page IconTo Previous Page
To Previous Page IconTo Previous Page
Loading...
– 59 –
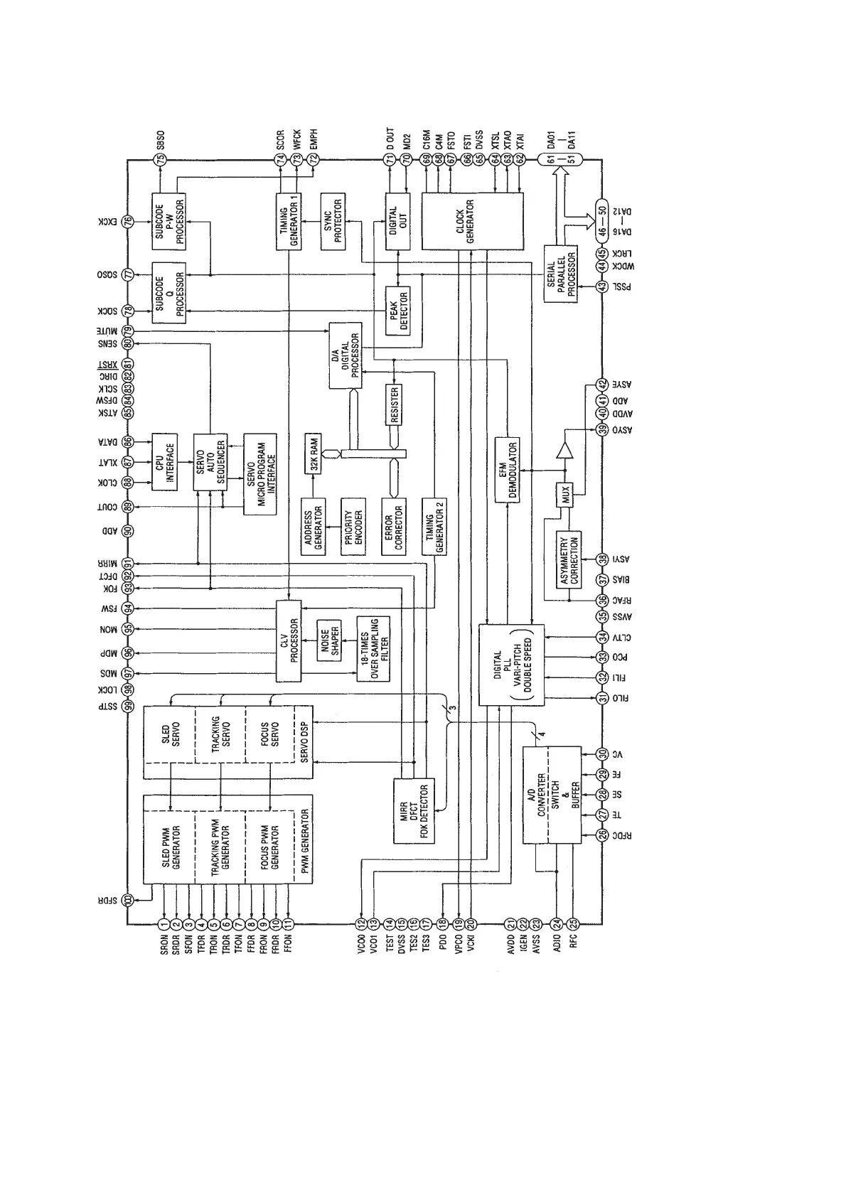
IC601 CXD2545Q