EasyManua.ls Logo

Sony DAV-DX355 - TV Hookup (Advanced)

Sony DAV-DX355
104 pages
Print Icon
To Next Page IconTo Next Page
To Next Page IconTo Next Page
To Previous Page IconTo Previous Page
To Previous Page IconTo Previous Page
Loading...
24
US
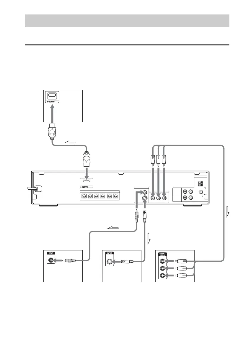
Select a hookup suitable for the jacks on your TV.
Connecting the video/HDMI* cords
Sends a played back DVD image to a TV.
Check the jacks of your TV, and choose connection method A, B, C, or D. Picture quality improves
in order from A (standard) to D (HDMI).
* HDMI (high-definition multimedia interface)
The system is based on version 1.1 of High-Definition Multimedia Interface Specifications.
The system incorporates High-Definition Multimedia Interface (HDMI
TM
) technology.
TV Hookup (Advanced)
Y
PB/CB
PR/CR
VIDEO
IN
S VIDEO
IN
COAXIAL
AM
FM
75
SPEAKER
FRONT R FRONT L SUR R SUR LCENTER WOOFER
COMPONENT VIDEO OUT
TV
VCR
MONITOR OUT
ANTENNA
(DVD ONLY)
YP
B
/C
B
P
R
/C
R
RLAUDIO IN
RLAUDIO IN
VIDEO
(DVD ONLY)
S VIDEO
OUT
(DVD ONLY)
IN
TV with COMPONENT
VIDEO IN jacks
TV with S VIDEO IN jack
AB
C
To COMPONENT
VIDEO OUT
To S VIDEOTo VIDEO
TV with HDMI* jack
D
To HDMI* OUT
To HDMI* IN
TV with VIDEO IN jack

Table of Contents