EasyManua.ls Logo

Sony DAV-FX100W - Page 35

Sony DAV-FX100W
212 pages
Print Icon
To Next Page IconTo Next Page
To Next Page IconTo Next Page
To Previous Page IconTo Previous Page
To Previous Page IconTo Previous Page
Loading...
95
HCD-FX100W
Ref. No. Part No. Description Remark Ref. No. Part No. Description Remark
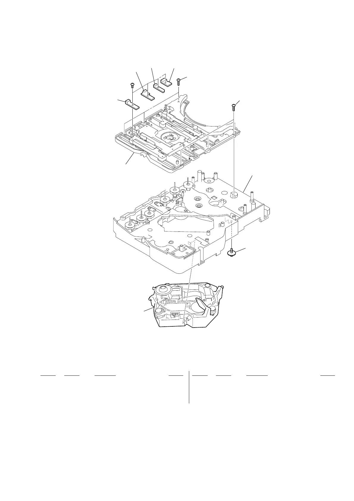
8-6. DVD MECHANISM DECK SECTION-2 (CDM69EH-DVBU101)
352
353
354
355
351
355
#8
optical pick-up
section
356
DVD mechanism deck section-3
DVD mechanism deck section-
4
351 1-686-727-13 SW (1) BOARD
352 1-686-728-13 SW (2) BOARD
353 1-686-729-13 SW (3) BOARD
354 1-686-730-13 SW (4) BOARD
355 3-087-053-01 +BVTP2.6 (3CR)
356 4-985-672-01 SCREW (+PTPWH M2.6), FLOATING
#8 7-685-533-14 SCREW +BTP 2.6X6 TYPE2 N-S

Table of Contents

Related product manuals