EasyManua.ls Logo

Sony DSC-P10 - Page 13

Sony DSC-P10
41 pages
Print Icon
To Next Page IconTo Next Page
To Next Page IconTo Next Page
To Previous Page IconTo Previous Page
To Previous Page IconTo Previous Page
Loading...
DSC-P10/P12
COVER
COVER
4-25 4-26
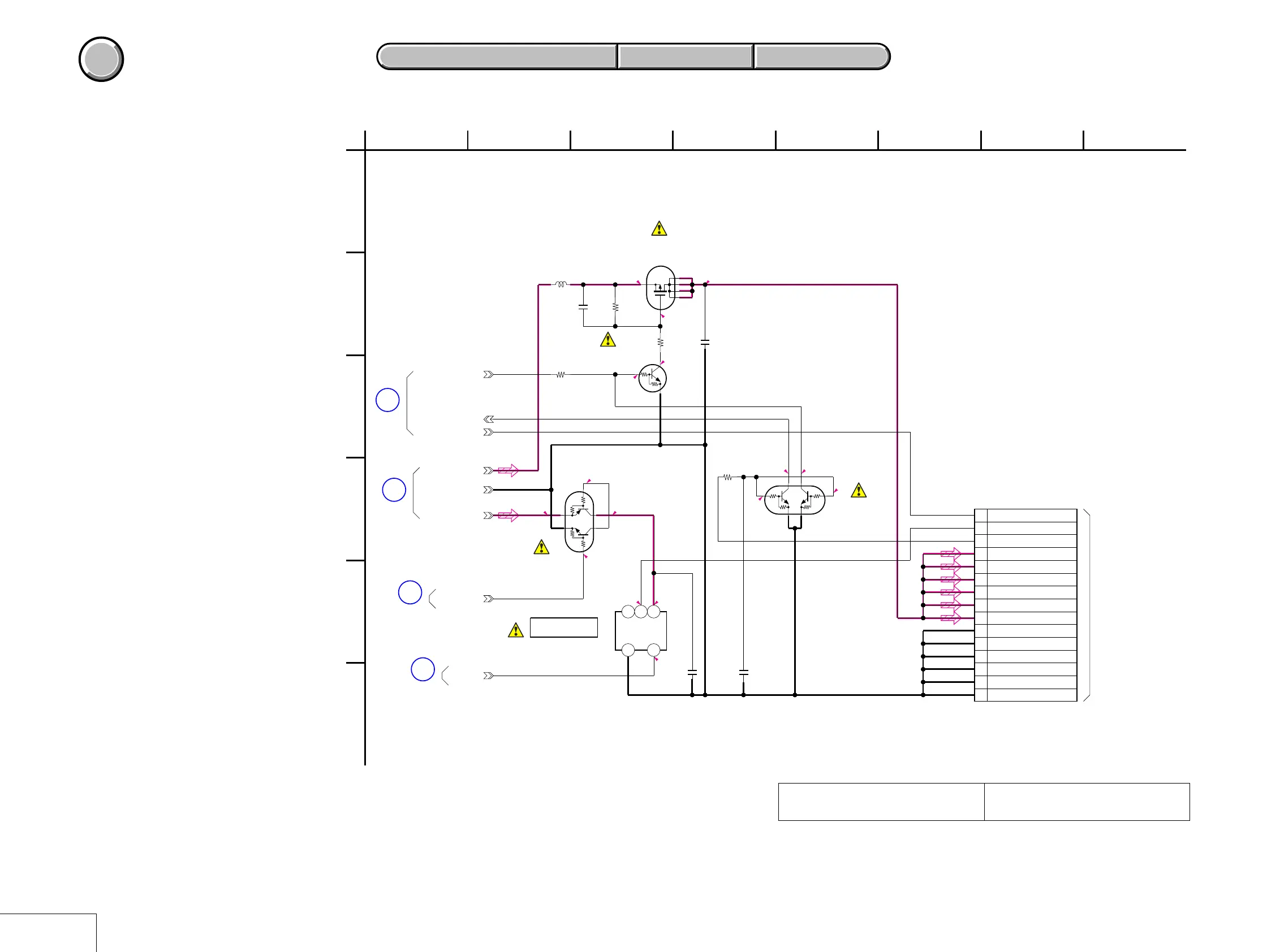
For Schematic Diagram
Refer to page 4-43 for printed wiring board.
4-2. SCHEMATIC DIAGRAMS
SY-83 BOARD SIDE A SY-83 BOARD SIDE B
4-2. SCHEMATIC DIAGRAMS
SY-83 BOARD SIDE A SY-83 BOARD SIDE B
SY-83 (9/10)
The components identified by mark 0 or dotted
line with mark 0 are critical for safety.
Replace only with part number specified.
Les composants identifiés par une marque 0 sont
critiques pour la sécurité. Ne les remplacer que
par une piéce portant le numéro spécifié.
R:REC MODE
P:PB MODE
NO MARK:REC/PB MODE
4.1 0
4.1
5.1
R0/P5
R5.1/P0.8
R2.9/P0
2.4 0
0
0
0
R5.1
/P0.8
0
0
4.1
38
(7/10)
43
(10/10)
(6/10)
44
10
(2/10)
R351
4700
R352
100k
R353
10k
1u
C353
R354
4700
RN1902FE(TPLR3)
Q354
6
2
1
3
5
4
2.2uH
L351
TND721MH5-TL-E
IC351
1
NC
2
OUT
3
VDD
4
IN
5
GND
CAM_P_5V
CAM_DD_ON
STRB_ON
RN4983FE(TPLR3)
Q351
3
5
4
6
2
1
15P
CN351
1XSTRB_PWR_SAVE
2STB_ON1
3STB_FULL
4ST_UNREG
5ST_UNREG
6ST_UNREG
7ST_UNREG
8ST_UNREG
9ST_UNREG
10 REG_GND
11 REG_GND
12 REG_GND
13 REG_GND
14 REG_GND
15 REG_GND
XSTB_FULL
ACV_UNREG1_ST
STB_CHARGE
XX
C351
UPA650TT-E1-A
Q353
2
3
4
1
6
5
DTC144EMT2L
Q352
10u
C352
0.1u
C354
REG_GND
1
A
XSTRB_PWR_SAVE
FLASH CHARGE
DETECT
B+ SWITCH
B+ SWITCH
B+ SWITCH
LND001-LND015
ST-81
IC351
(PAGE 4-33)
FLASH CONTROL
567
FLASH CONTROL(ST BLOCK)
05
E
B
C
SY-83 BOARD (9/10)
3
F
XX MARK:NO MOUNT
24 8
D

Related product manuals